Как самому сделать коллектор для тёплого пола своими руками
- Как самому сделать коллектор для тёплого пола своими руками
- Коллектор отопления своими руками. Два способа увеличить диаметр распределительных труб
- Коллектор для теплого пола своими руками из полипропилена. Коллекторно-лучевая система отопления
- Коллектор для теплого пола 2 контура. Конструктивные особенности
- Смесительный узел для теплого пола своими руками. Cмесительный узел для теплого пола своими руками
- Как правильно собрать коллектор для теплого пола. Коллектор для системы теплый пол
- Коллектор для теплого пола на 3 контура. Насосно-смесительный узел
Как самому сделать коллектор для тёплого пола своими руками
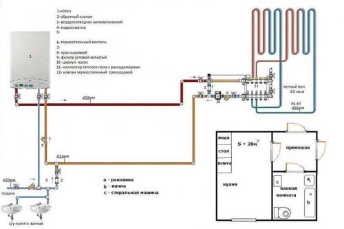
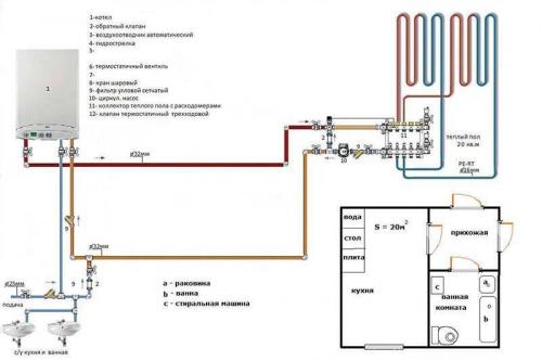
Для обустройства водяных тёплых полов, набирающих сегодня популярность, требуется много комплектующих. Одним из важнейших узлов в конструкции является коллектор, его основная функция — распределять теплоноситель и контролировать его нагрев.
Мы разберём — как устроена гребёнка, как она функционирует, а также поговорим об особенностях её эксплуатации. Кроме того, покажем, как правильно собрать заводскую модель коллектора для водяных тёплых полов, и самодельную из отдельных частей своими руками.

Принцип работы коллектора для теплых полов
Коллектор — элемент смесительно-распределительного узла, без него нормальная работа системы отопления невозможна. Его предназначение:
- распределять теплоноситель;
- контролировать уровень нагрева жидкости.
Суть работы узла — смешивать теплоноситель идущей из различных систем обогрева, и имеющих разный уровень нагрева (тёплый пол, радиатор). После смешивания жидкости до температуры нужной для гидрополов, она направляется в отопительные контуры. Пройдя по магистрали пола, остывший поток воды под воздействием насоса движется в коллектор, где он подмешивается к горячей, и снова подаётся в пол.
Регулировка объёма потоков — горячего и холодного, производится клапанами. Контроль осуществляется датчиками температуры.
Такой принцип действий обеспечивает стабильный и одинаковый уровень обогрева комнат .
Устройство
Коллектор (гребёнка) состоит из двух частей — подающего и обратного блока. Основа каждой части — трубка большого размера, имеющая с боку резьбовые выходы. Число их бывает различным, и подбирается по количеству контуров пола.
К основным элементам коллектора относятся:
- клапаны — двух или трёхходовой;
- вентили — запорный и балансировочный;
- термодатчик;
- манометр;
- насос для обеспечения циркуляции воды;
- воздухоотводчик;
- тройники и соединители.
Типы коллекторов
Коллекторы различаются по материалу изготовления, по характеристикам, а также по способам регулировки.
Коллектор отопления своими руками. Два способа увеличить диаметр распределительных труб
Первый способ годится для котлов со встроенными насосами. Для таких котлов изготавливают термо-гидро распределитель (гидрострелка в народе). К гидрострелке подключают котел и два три контура отопления и приготовления горячего водоснабжения. При этом на каждый контур потребления тепла монтируют свой циркуляционный насос.
Так же многие идут простым путем и подключают к такому котлу небольшой контур радиаторов и теплых водяных полов. Это работает, если сразу с котла перейти с ¾ на 1 дюйм и дальше подключить все трубой, например, ППР диаметром 32.
Но у многих такими малыми объемами работа и строительство не ограничивается. Вот почему не всегда разумно большие дома или общественные строения подключать только к гидрострелке. Стрелка получиться просто огромная и вся котельная будет в трубах.
Чтобы этого избежать был придуман сначала просто коллектор для распределения теплоносителя, а потом из него сделали компланарный распределительный коллектор. То есть два независимых коллектора объединили в один и получили его компланарность.
Компланарный распределительный коллектор одним махом решил проблему количества и размеров подключения котлов и контуров отопления, решилась проблема нагромождения труб и стало очень быстро, и легко делать мониторинг, обслуживание и ремонт котельного оборудования.
Но как обычно, недостаток информации привел к тому, что вроде что-то знаем о распределительных коллекторах, но не применяем, опираясь на авось пронесет. Но не проносит и система отопления теплоносителя постоянно просит. Тепла нет и все попытки высосать тепло из зауженной трубы ведут к трате кучи времени, нервов и денег.
Когда как просто на стадии разговора с мастерами перед монтажом системы необходимо озвучить желание изготовить и подключить все через стрелку и распределительный коллектор. В связке эти два устройства работают еще лучше. Но здесь мы можем столкнуться с невежеством. А это невежество в свою очередь может уговорить вас этого не делать и все посадить на одну трубу.
Изготовить гидрострелку своими руками не составляет большого труда. Берем кусок трубы на три диаметра больше диаметра подключения котла и привариваем на торцы трубы выгнутые заглушки. В заглушки ввариваем резьбы для слива и сброса воздуха. А в тело трубы врезаем резьбы для подключения котлов и контуров отопления. Красим и стрелка готова.
С приобретением и изготовлением распределительного коллектора своими руками немного сложнее. Заводские аналоги часто не подходят под наши условия по количеству подключаемых контуров и их размеров.
Таким образом, бывает сложно или даже невозможно подобрать заводской распределитель под конкретно ваши условия, так как размер коллектора и размер патрубков коллектора ограничены модельным рядом.
Вот почему Вам придется либо отказаться от применения заводского коллектора, либо использовать два или более коллектора. При этом надо будет учесть стоимость двух коллекторов, их монтаж и стоимость дополнительных материалов.
Если у вас небольшой домик, то вполне возможно, что заводской коллектор вам подойдет. Но чаше всего такого не происходит, и многие люди не знают, что с этим делать. Помучавшись и помаясь нанимают сантехника, который делает все на прямую от котла. И потом жалуются что тепла нет.
Вот почему, надо не забывать, что из любой ситуации есть как минимум два выхода. И второй выход из сложившейся ситуации при невозможности использования заводского коллектора заключается в изготовлении распределительного коллектора своими руками.
Вот почему надо уяснить, что без коллектора система более трех контуров будет работать неправильно и зажато. Иначе можно дальше не читать и подключать все на одну трубу и тратить время и деньги, чтобы исправить не работающую систему.
Коллектор для теплого пола своими руками из полипропилена. Коллекторно-лучевая система отопления

Коллектор в системе отопления лучевого типа.
Рассматривать коллектор отопления следует совместно с рассмотрением лучевой схемы разводки теплоносителя, так будет проще понять его основные функции и достоинства.
Как известно, существует три основных вида разводки труб.
- Однотрубная схема . Здесь радиаторы включены последовательно, то есть теплоноситель подается к первому прибору, затем проходит через батарею и поступает к следующему, постепенно проходя весь контур и возвращаясь к котлу. Очевидно, что после каждого радиатора вода остывает, и прогрев батарей происходит неравномерно;
- Двухтрубная схема . Данное решение предусматривает подачу воды по одной трубе, а отвод – по второй, то есть контур состоит из двух магистралей, между которыми параллельно включены радиаторы. Такая схема позволяет прогревать приборы более равномерно;
- Лучевая схема . Теплоноситель подается в распределительный узел (коллектор системы отопления), откуда поступает к каждому радиатору по отдельной трубе, а затем по обратным трубам возвращается назад, собирается гребенкой и поступает в котел. Таким образом можно добиться максимально равномерного распределения тепла в помещении.

Однотрубная и двухтрубная схемы разводки.

Лучевая схема разводки.
Важно!
Как видим, в лучевой схеме присутствует множество контуров, по одному на каждую батарею.
Поэтому для нормальной работы системы необходим циркуляционный насос, который сможет обеспечить необходимые параметры давления и скорости циркуляции теплоносителя.
Лучевая схема позволяет максимально равномерно прогревать каждый отдельный радиатор, более того, она дает возможность регулировать интенсивность подачи тепла в каждую батарею.

Шкаф коллектора для радиаторного отопления с подающей и обратной гребенками.
Также в такой схеме можно отключить любой прибор без изменений работы всей системы, а в многоэтажных домах можно отключать целые этажи без перебоев подачи теплоносителя в остальные секции здания.
Для реализации этих преимуществ используют коллекторы отопления, которые входят в распределительный узел в виде пары приборов – подающей и обратной гребенки. Обвязка коллектора отопления запорной арматурой, воздушными и сливными кранами, расходомерами и термостатическими головками позволяет осуществить автоматическое регулирование температурных режимов на каждом отдельном отопительном приборе.

Использование расходомеров позволяет осуществлять регулировку подачи.
Важно!
Наиболее часто такую разводку используют при сооружении систем отопления частных домов и коттеджей, однако можно применить эту схему и в условиях квартиры с централизованной подачей теплоносителя.
При этом следует помнить, что трубы лучше всего проводить под полом.
Еще одно преимущество лучевой разводки – это возможность спрятать трубопровод под плинтусом или в толще пола. Часто именно эта особенность влияет на выбор схемы разводки.

В системе «теплый пол» обязательно используется коллектор для систем отопления пола.
Также нельзя не упомянуть такую систему, как «теплый пол». Здесь контуры не подключены к радиаторам, а уложены особым образом в стяжку пола с целью ее прогрева.
Единственный существенный недостаток данного решения – это высокая цена материалов и работ.
Коллектор для теплого пола 2 контура. Конструктивные особенности
Гребенка имеет полый корпус с отводами для подключения контуров. На торцах и присоединительных патрубках устанавливается запорно-регулирующая арматура. Коллектор для тёплых полов состоит из подающей и возвратной гребёнки. Подающий распределитель обычно устанавливается выше возвратного, но может быть смонтирован и снизу – это зависит от особенностей места установки коллектора и разновидности подсоединяемого смесительного узла.
К каждому отводу распределительной гребёнки подключается один конец петли тёплого пола – второй конец трубопровода присоединяется к отводу возвратной гребёнки. Она собирает остывший теплоноситель и направляет поток к отопительному котлу.
Базовая часть коллектора представляет собой отрезок трубы с двумя или более резьбовыми отводами. При этом в продаже представлены разнообразные модели устройств, различающиеся по конечной комплектации, сложности сборки, функциональным параметрам и стоимости.
С фитингами
К числу бюджетных моделей относятся гребёнки с резьбовыми патрубками, оснащённые фитингами для подключения контуров тёплого пола. Трубопровод напольного отопления может быть выполнен из сшитого полиэтилена или металлопластика.
Со встроенными кранами
Гребенка отопления упрощённой конструкции может быть оснащена интегрированными двухходовыми шаровыми кранами. Такой коллектор не рассчитан на регулировку параметров работы отдельных контуров – с помощью крана можно только полностью перекрывать поток теплоносителя, чтобы отключить определённую петлю.
Бюджетные модели гребёнок (с фитингами или встроенными кранами) могут применяться только для второстепенных систем напольного отопления, в состав которых входит один-два контура небольшой длины. Также без доработок их можно устанавливать в системах, где задействовано несколько петель одной длины – с одинаковым гидравлическим сопротивлением и требованиями к температурному режиму.
Конструкция таких коллекторов не предусматривает монтаж дополнительного оснащения на каждый отвод для регулировки рабочих параметров отдельных контуров тёплого пола.
С регулировочными вентилями
Улучшение функциональности влечёт за собой повышение стоимости. В более высокую ценовую категорию входит гребёнка для тёплых полов, оснащённая регулировочными вентилями на каждом отводе. Такое устройство даёт возможность вручную регулировать интенсивность подачи нагретого теплоносителя в каждый из контуров отопления.
При выборе модели обратите внимание на возможность замены ручного регулировочного вентиля автоматическим. Многие производители предусматривают установку исполнительных устройств, рассчитанных на функционирование в комплексе с термодатчиками или в составе системы управления климатом в доме. Автоматические регулировочные вентили приводятся в действие сервоприводами по сигналу электронного устройства – центрального или автономного.
С расходомерами
Гребенки с расходомерами на отводах позволяют подключать петли трубопроводов различной длины и обеспечивать равномерную циркуляцию теплоносителя во всех контурах. Маркировка, нанесённая на расходомеры, упрощает балансировку системы, даёт возможность добиться тонкой регулировки температур.
Смесительный узел для теплого пола своими руками. Cмесительный узел для теплого пола своими руками
Разница температур в центральной системе отопления и устройстве водяного теплого пола становится тем фактором, из-за которого необходимо дополнительно устанавливать коллекторный отдел. Он смешивает теплоносители и распределяет их подачу в систему.
Назначение устройства
Ремонтируя санузел, многие устанавливают там систему теплого водяного пола. Эти устройства работают по тому же принципу и на тех же носителях, что и центральное отопление. Зачастую общая схема монтажа выглядит следующим образом:
- нагревательный прибор;
- высокотемпературная линия теплообменников;
- низкотемпературный контур радиаторов.
В батареи отопления поступает нагретая котлом вода. Обычно ее температура не менее 75 градусов. Однако поверхность напольного покрытия не предусматривает нагрев выше 31 градуса. Большее значение будет доставлять дискомфорт человеку при хождении по полу босиком. Однако, учитывая толщину бетонного раствора, в который вмурованы трубы, и слой финишной отделки, общий нагрев теплоносителя, поступающего в этот контур, должен быть не выше 50 градусов. Поэтому горячую жидкость из нагревательного прибора направлять в контур теплого пола напрямую нельзя. Именно для этих целей и нужен коллектор для водяного теплого пола.
Коллектор для теплого водяного пола смешивает кипяток из системы с холодной водой обратки и направляет подогретую жидкость в трубы отопления
В этом устройстве горячая жидкость отопительной линии смешивается с холодной из обратного контура. В результате такого процесса в отопительную систему пола поступает носитель необходимой температуры. При этом вся конструкция исправно и слаженно работает. Из котла горячий теплоноситель поступает напрямую в батареи и коллектор. Также в смесительный узел подключают и холодную обратку. На выходе из агрегата в систему отопления пола течет подогретый до нужной температуры теплоноситель.
Иногда можно обустроить теплый пол водяной без коллектора. В этом случае устраивают общий низкотемпературный контур на обе системы, а подогрев носителя в них обеспечивает воздушная помпа и контролируют специальные датчики.
Однако если отопительная схема предусматривает еще и нагрев воды для бытовых нужд, в этом случае никак не обойтись без смесительного шкафа. Поскольку такая жидкость на выходе должна быть не холоднее, чем 65 градусов, а это значение слишком высоко для подогрева пола.
Собрать и подключить смесительный узел — посильная задача для каждого
Несмотря на кажущуюся сложность, установить и подключить коллектор теплого пола своими руками – вполне посильная задача. Для этого нужно подробнее изучить принцип его работы и особенности устройства.
Механизм работы узла
Смесительный прибор выполняет не только функции по регулировке температуры воды в линии. Он еще отвечает за нормальное ее движение по цепи. Прибор включает в себя предохранительный вентиль и круговой инжектор. Последний элемент обеспечивает нормальную циркуляцию носителя в системе нагрева пола с необходимой для этого скоростью. Этот момент важен для полного и равномерного прогрева поверхности.
Циркуляционный инжектор отвечает за равномерное распределение теплого носителя в контуре водяного пола
Клапан предохранения отвечает за смешивание воды в контуре. При поступлении кипятка на вход, он открывает поступления из обратной цепи, пока горячая вода не смешается с холодным носителем из нее. После этого он прекращает подачу кипятка.
Кроме двух основных узлов, в коллектор могут быть включены проводящие и запирающие вентили, клапана для стравливания воздуха и байпас, выполняющий функцию защиты прибора от перегрузки. Эти элементы не всегда могут быть включены в устройство. Поэтому коллектор для теплого пола своими руками может быть установлен несколькими разными методами. Здесь все зависит только от необходимого вам результата.
Нужно сказать, что смесительный узел всегда монтируют на участке перед входом в контур подогрева. Однако непосредственное место его нахождения может быть где угодно. В некоторых случаях целесообразно установить прибор прямо в том же помещении, где проходит система. Обычно так делают в многоквартирных домах. Иногда уместно поставить его в общей котельной. Этот вариант, пожалуй, станет предпочтительным для частных коттеджей. Если предусмотрено несколько помещений с подогревом пола, обычно распределители помещают в каждой из комнат либо устраивают один общий коллектор в подходящем для этого месте.
При самостоятельной установке смесительного узла, составьте схему его монтажа
Все различия в принципе работы смесителей определяют вентили предохранения. Самыми распространенными из них считают клапаны на два и три положения.
Питающий вентиль
Клапан на два положения, или двухходовой, оснащен термопарой. Именно эта деталь имеет датчик температуры и контролирует ее уровень перед подачей в контур обогрева пола. Этот элемент открывает и закрывает клапан при подаче кипятка из бойлера или котла.
Как правильно собрать коллектор для теплого пола. Коллектор для системы теплый пол
Для теплых полов чаще всего монтируют общий коллекторный узел, или перед каждым контуром отопления устанавливают свой отдельный коллектор. Если реализуется последний вариант, то все коллекторы оборудуются расходомерами, термостатами, а также следующими элементами:
- Клапан смешения обратки и подачи;
- Запорный кран балансировки обогревательного прибора;
- Клапан перелива.
Самому собрать коллектор для теплого пола можно по разным схемам, и в некоторых схемах коллекторных узлов применяются байпасы, но не всегда – только в одноконтурных системах. Если система теплых полов организована по двухконтурной схеме, то коллектор можно включить без байпаса во вторичный контур.
Двухконтурная система теплый пол с коллектором
Перед тем, как собрать коллекторный узел для теплого пола, взвесьте свои возможности – иногда проще купить готовую конструкцию. Если коллектор будет покупаться, то лучше, чтобы все его детали и элементы были от одного производителя. При самостоятельной сборке узла необходимо выбрать материал, из которого будут собираться основные составляющие узла: из меди, стали, полимеров или латуни.
Также при выборе промышленной конструкции важно учитывать следующие параметры:
- Сколько в системе будет контуров отопления (обычно от 2 до 12), общая длина трубопровода и пропускная способность контуров;
- Максимально допустимое давление в трубах;
- Возможность расширения отопительной системы;
- Ручное или автоматическое управление коллектором;
- Электрическая мощность всех узлов и агрегатов;
- Диаметр внутренних отверстий коллектора (пропускная способность).

Коллектор своими руками
Максимально эффективную работу собранных коллекторных узлов можно обеспечить подключением к ним одинаковых по длине отопительных контуров. Чтобы с достаточной точностью уравнять трубопроводы по длине, их делят на равные отрезки, которые и подключают к коллектору. Проще всего коллекторный узел рассчитать в специальной компьютерной программе или на онлайн калькуляторе, чтобы не появилось явление, называемое «тепловая зебра», то есть, неравномерное прогревание пола.
Для расчета понадобятся следующие данные:
- Тип декоративного напольного покрытия;
- площадь отапливаемого помещения и план размещения в нем крупных предметов;
- Материал и диаметр труб контура;
- Номинальная мощность котла;
- Тип утеплителя пола.

Расчет коллектора
Монтаж коллектора – рекомендации
При проектировании системы теплого пола сначала нужно найти оптимальное место для монтажа коллектора. Стандартно узел устанавливают в коллекторном шкафу, а сам шкаф монтируют на высоте 30-40 см от уровня пола рядом с подачей и обраткой.
Чтобы не нарекать на собственные ошибки и обеспечить максимальный нагрев труб теплого пола, изучите инструкцию по подключению коллектора. Затем соберите узел в следующей последовательности (это касается промышленного коллекторного узла):
- Распакуйте трубки для прямой и обратной подачи теплоносителя. Трубки должны быть с расходомерами и питающими клапанами. Если коллектор многосекционный, соберите секции в одну конструкцию;
- Из собранных секций нужно собрать узел на кронштейнах (идут в комплекте);
- Далее устанавливаем запорную арматуру, автоматику, датчики и остальную соединительную арматуру;
- Узел крепим к стене или в шкафу, монтируем термостат, сервопривод и циркуляционный насос;
- Подсоединяем трубы от котла и трубы от отопительных контуров системы «теплый пол».

Набор коллектора
Теперь схема подключения коллектора теплого пола опрессовывается, после чего можно заливать бетонную стяжку. Тепловые настройки коллектора можно проводить после монтажа финишного покрытия.
Коллекторный узел своими руками
Заводской коллектор – изделие достаточно дорогостоящее, поэтому многие мастера хотят сделать его своими руками. Многие элементы все равно придется покупать, но стоимость будет дешевле. Проще всего самодельный коллектор спаять из ПВХ труб и фитингов Ø 25-32 мм. Также понадобятся тройники и отводы таких же диаметров, и запорная арматура.

Самодельный коллектор
Количество вентилей и фитингов подсчитывается по числу контуров отопления. Из инструментов нужен паяльник для элементов из пропилена и насадки к нему, специальные ножницы для резки труб и рулетка.
Разметка коллектора заключается в разметке и отрезании труб нужной длины, соблюдая минимальное расстояние между тройниками. К ПВХ тройникам паяльником припаиваются вентили и переходы. К этой конструкции припаиваются фитинги для подключения насоса. Как видите, все просто, но более сложные коллекторные узлы лучше покупать готовыми.
Коллектор для теплого пола на 3 контура. Насосно-смесительный узел
Данный узел предназначен для разбавления нагретой воды идущей в магистраль водяного пола, с отработанным, охлаждённым теплоносителем. За процесс смешивания отвечают крыльчатки насоса.

Именно насос подаёт разбавленную до нужного градуса жидкость в систему. Она, перемещаясь по трубам отдаёт тепло помещению и остыв возвращается в смесительный узел.
Настройка температурного режима осуществляется с использованием балансировочных вентилей, с их помощью также регулируется расход отработанной воды в трубах. Чтобы обогреть небольшое помещение, запорную арматуру нужно открыть, если комната маленькая — закрыть.
Данная схема коллектора для тёплого пола оснащена термоголовкой, которая отвечает за температурный уровень в системе. Она осуществляет открытие или закрытие заглушки подачи нагретой воды. Когда прекращается поступление теплоносителя, открывается перепускной клапан и жидкость движется по свободному байпасу.

При простом способе обвязки коллектора, делается ручная регулировка температуры. Для автоматизации процесса используется сервопривод с термостатом. Сервопривод получается сигнал от термостата о температурном уровне в помещении, и отталкиваясь от данного показателя, производит открывание или закрывание заслонки обратного коллектора, тем самым регулируется циркуляция воды в полу.
Основные показатели, характеризующие насосно-смесительный узел:
- давление в рабочем состоянии — максимальное значение 10 бар;
- температурный уровень — +90 градусов (максимум);
- диапазон температуры — от 20 до 60 градусов.