Твердотопливные котлы своими руками по схемам. Чертеж простого котла длительного горения
- Твердотопливные котлы своими руками по схемам. Чертеж простого котла длительного горения
- Самодельные котлы длительного горения. Готовые решения –, какой котел купить?
- Чертеж котла длительного горения своими руками. Альтернативные источники тепла и сухой остаток
- Как сделать своими руками твердотопливный котел. Сильные и слабы стороны
- Чертеж твердотопливного котла своими руками. Котел длительного горения своими руками: чертежи изделий и ТОП-11 лучших моделей
- Чертеж твердотопливного котла длительного горения. Как сделать своими руками котел твердотопливный длительного горения: чертежи и схемы
- Котел стропува своими руками чертежи. Конструкция и принцип действия
Твердотопливные котлы своими руками по схемам. Чертеж простого котла длительного горения
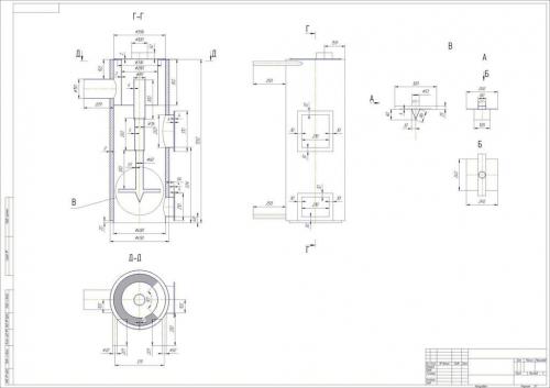
Такая конструкция твердотопливного котла довольно проста. Теплообменник может быть выполнен из листовой стали в виде «водяной рубашки». Для максимальной эффективности теплоотдачи и увеличения площади контакта с пламенем и горячими газами ее конструкция предусматривает наличие двух отражателей (выступов вовнутрь).

Чертеж простого твердотоплевного котла
В данной конструкции теплообменник представляет собой комбинирование «водяной рубашки» вокруг камеры сгорания и дополнительного щелевидного регистра из листового металла в верхней ее части.

Схема-чертеж котла с теплообменником щелевого типа
1 — дымовая труба; 2 — водяная рубашка; 3 — щелевой теплообменник; 4 — загрузочная дверка; 5 — дрова; 6 — нижняя дверка для поджига и чистки; 7 — колосники; 8 — дверка для регулирования подачи воздуха и чистки зольника.
- Как подключить котел длительного горения своими руками
- Сбросной клапан для отопления
- Термодатчики для котлов отопления
В данных вариантах «водяная рубашка» дополнена теплообменными регистрами из труб в верхней части камеры сгорания. Кроме того, такие агрегаты рассчитаны на приготовление на них пищи. Вариант 4 большей мощности и с верхней загрузочной дверкой.

Рис. 3 Конструкции твердотопливных котлов с дополнительными регистрами и варочной поверхностью
1 — топливник; 2 — регистр из труб; 5 — труба обратки; 6 — подающая труба; 7 -верхняя загрузочная дверка; 8 — нижняя дверка для поджига и подачи воздуха; 9 — загрузочная дверка; 10 — дымовая труба; 13 — колосниковая решетка; 14,15,16 — отражатели; 17 — заслонка; 19 — водяная рубашка; 20 — зольник; 21 — варочная поверхность.
Самодельные котлы длительного горения. Готовые решения –, какой котел купить?
Откровенно говоря, самодельный котел длительного горения вряд ли обойдется дешевле, чем приобретение уже готового варианта. Учитывать нужно не только стоимость материалов, но и время, потраченное на создание агрегата своими руками. Плюс ко всему мало у кого с первой попытки получается сделать все правильно – обязательно в процессе эксплуатации всплывут ошибки, которые потребуется исправлять, что чревато новыми затратами.
Нужно также понимать, что многие технологии, которые используют производители котлов, недоступны простым обывателям и заменить их нечем. Например, в быту без дорогостоящего оборудования не повторить порошковую окраску котлов, которая существенно продлевает сроки их эксплуатации. Точность деталей, качество сварки – все это существенно отличается в самодельных и покупных вариантах. По этим причинам большинство предпочитает приобретать уже готовые варианты, к тому же предложений сегодня хоть отбавляй.
Сегодня отлично зарекомендовали себя котлы длительного горения литовского производства Stropuva (Стропува) или Candles (Кандлес) – эти агрегаты способны проработать на одной загрузке дров до 40 часов, а при загрузке углем – все 5 суток. Модели, работающие на дровах, маркируются буквой S, тогда как работающие в том числе и на угле – буквой U. КПД таких котлов – до 90 %. В конструкции этих агрегатов прогорание идет сверху вниз – топливо горит по принципу свечи. Из-за того, что пламя сверху, дрова и уголь прогорают гораздо лучше, поэтому чистить котел придется гораздо реже.
Чертеж котла длительного горения своими руками. Альтернативные источники тепла и сухой остаток

Самые разные альтернативные источники энергии можно рассматривать только, как дополнение к основным видам топлива. Солнечная энергия бесплатна, но цены на оборудование и конвекторы — заоблачные. Определенный интерес представляют в этом плане тепловые насосы, но простая семья из пяти человек физически не может позволить себе инвестировать в будущее 25-30 тысяч евро, хотя здесь больше дело в приоритетах — средний семейный автомобиль стоит примерно столько же. Что в итоге?
- Газ. Дорогой, подача нестабильная, качество не позволит установить технологичный экономный газовый котел отопления.
- Электричество. Подача нестабильная, напряжение тоже непостоянное, стоит дорого, но есть практически в каждом доме и даже в самой глуши. Электрические котлы отопления наиболее часто применяются также и для горячего водоснабжения. Также есть возможность устанавливать современные ионные экономичные отопительные станции.
- Жидкое топливо. Бесперспективный метод отопления, поскольку тенденция к сокращению использования нефтепродуктов через десяток-другой лет коснется не только фондовых бирж, но и Ракукинского сельсовета. Котлы на жидком топливе обычно рассматриваются как вспомогательное отопительное оборудование и для временного отопления. Они неудобны в эксплуатации, чадят, КПД не самый высокий.
- Твердое топливо. Пока это единственный, если не альтернативный, то дополнительный способ организовать автономное отопление. Твердотопливный котел отопления своими руками чертежи разных конструктивных вариантов, мы приводим, как иллюстрацию доступности такого метода.
- Альтернативные методы отопления. Для нашей страны первой половины ХХI века — это остается фантастикой, очень привлекательным и интересным материалом для изучения, но возможности реализовывать большинство схем получения альтернативной энергии нет.
Как сделать своими руками твердотопливный котел. Сильные и слабы стороны
Крупные габариты и сложность выполнения своими руками чертежа твердотопливного котла длительного горения делает благоприятным использование подобных приборов только в крупных коттеджах. Что касается небольших дач, то для них рекомендуется выбирать более экономичные варианты.
Основными достоинствами ТТ котлов длительного горения являются:
- Высокий КПД (около 95%)
- Автономность отопления.
- Экономичность.
- Надежность и долговечность.
- Высокая эффективность.
- Доступность топлива.
- Экологичность.
- Широкий выбор топлива (уголь, дрова, опилки, паллеты).

Имеются также недостатки:
- Большие габариты.
- Необходимость оборудования отдельной котельной.
- Сложное устройство котла длительного горения на дровах.
- Нужда в постоянно обслуживании.
Котлы данного типа имеют достаточно приличную стоимость, однако такие конструкции можно изготовлять и самостоятельно.
Преимущества самодельных агрегатов:
- Дешевизна.
- Универсализм в плане используемого топлива.
- Возможность последующих доработок с целью увеличения эффективности и добавления мощности.
Сложнее всего – сделать конструкцию цилиндрической: для этого необходимо использовать вальцовочный станок. Если его нет, существует вариант со старыми пропановыми баллонами. Также сгодится любая труба подходящего сечения: толщина металлических стенок должна быть не менее 5 мм. В деревнях привыкли довольствоваться небольшими кирпичными печами, демонстрирующими хорошую эффективность при обогреве одноэтажных домов и дач. Если же требуется отапливать обширный коттедж, то в таком случае потребуется большой запас топлива. Кроме того, не избежать больших перепадов температуры по мере удаления от печи, да и ухаживать за ней намного сложнее, чем за твердотопливным котлом.
Чертеж твердотопливного котла своими руками. Котел длительного горения своими руками: чертежи изделий и ТОП-11 лучших моделей
При доскональном и правильном изучении чертежей твердотопливных котлов вполне возможно сделать котел длительного горения своими руками надежным и экономичным.
Твердотопливные котлы уже не одно десятилетие пользуются немалой популярностью, хотя и имеют один существенный минус – они нуждаются в постоянной загрузке топлива (угля, дров и т. д.). Из-за этого недостатка от них нередко отказываются при обустройстве отопительной системы, но от него легко избавиться – сделать котел длительного горения своими руками, функционирующий почти на всех типах(исключительно твердого, разумеется).

Котел длительного горения своими руками

Для растопки котла можно использовать уголь
Как устроен самодельный котел длительного горения
Принцип работы
Схема работы таких котлов основывается на особенноститлеть несколько часов, производя при этом большое количество тепловой энергии. Характерно, что топливо в таком случае сжигается более полно, а количество отходов, как следствие, заметно снижается.

Чертеж котла
Обратите внимание! Замена активного сжигания тлением возможна ввиду особого устройства отопительного котла.
Основным элементом котла является топка, где горение ограничено, а интенсивность подачи воздуха контролируется при помощи специальных приспособлений. Топливо загружается два раза в сутки большими порциями, после чего медленно тлеет (ограниченное количество кислорода не позволяет ему полноценно гореть).
Труба, посредством которой выводится дым, пропускается через теплообменники и нагревает жидкость в отопительной системе. Выходит, достаточно лишь каждые 12 часов загружать топливо для бесперебойного обогрева дома.

Схема котла
Основные преимущества
Котлы длительного горения выделяются на фоне отопительных систем других типов. Конечно, основное преимущество – это именно длительность работы, но есть и другие важные моменты:
- низкая стоимость топлива;
- автономность;
- возможность обогрева больших площадей при минимальных расходах;
- легкость монтажа и эксплуатации;
- безопасность;
- возможность изготовления в домашних условиях.

Виды твердотопливных котлов
Устройство прибора
Для изготовления котла удобнее использовать металлическую трубу ø30 см и больше с толщиной стенок не менее 5 мм (иначе последние в скором времени прогорят из-за высокой температуры внутри прибора). Высота конструкции может колебаться между 80 см и 100 см, все зависит от площади помещения.
Труба для корпуса
Вне зависимости от модификации котел состоит из трех основных зон:
- загрузочной зоны;
- зоны тления и теплообразования
; - зоны окончательного сжигания, где горит зола и выводятся дымные газы.
Обратите внимание! Прибор, который ограничивает загрузочную зону и, соответственно, время тления, называют распределителем воздуха.
Данный элемент выполняется в виде металлического круга толщиной 5-6 мм с отверстием посередине, через которое с помощью телескопической трубы кислород подается в топку. Диаметр изделия должен быть несколько меньше диаметра корпуса. Высота регулируется посредством специальной крыльчатки.

Котел на дровах длительного горения

Котел на дровах длительного горения
Мнение эксперта:
Масальский А.В.
Редактор категории "строительство" на портале Stroyday.ru. Специалист по инженерным системам и водоотведению.
Обычно зона сжигания не превышает 5 см в высоту – если она будет большей, то топливо будет сгорать слишком быстро. К слову, кислородная труба может быть не только телескопической, но и цельной. Ее диаметр обычно составляет 6 см, в то время как размер отверстия в воздушном распределителе не превышает 2 см, дабы не пресыщать зону кислородом.

Котел длительного горения
Воздух может подаваться одним из двух способов:
- прямо из атмосферы;
- из специальной камеры нагрева (она располагается в верхней части конструкции), что обеспечивает более эффективную работу котла.
Для регулировки используется специальная воздушная заслонка.
Сверху приваривается дымоотводная труба. Она должна вестись перпендикулярно корпусу минимум 0,5 м, иначе образуется чрезмерная тяга.
Снизу оборудуется дверка для удаления продуктов горения. Чистку нужно проводить нечасто, ведь топливо будет сгорать полнее.
Существует два способа нагрева теплоносителя, у каждого есть свои сильные и слабые стороны.

Котел длительного горения
Котел длительного горения
Способ №1. К трубе теплообменника, проходящей через зону сгорания, подключается змеевик, посредством которого и происходит нагрев воды в баке.
Способ №2 . Формируется отдельный металлический бак, сквозь который пропускается труба дымохода. Разгоряченный дым подогревает жидкость.
Первый способ более эффективен, но вместе с тем более сложен в выполнении. Второй сделать проще, но он целесообразен только в небольших домах.
Цены на модельный ряд твердотопливных котлов
Твердотопливные котлы
Изготовление котла длительного горения
Котел
Сделать такую конструкцию в домашних условиях несложно, но для этого потребуются навыкии четкая инструкция.
Чертеж твердотопливного котла длительного горения. Как сделать своими руками котел твердотопливный длительного горения: чертежи и схемы
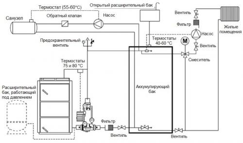
Перед тем, как начать изготовление котла, необходимо определиться с его конструкцией. Ее выбор зависит от назначения агрегата. Если он предназначен для отопления небольшого хозяйственного помещения, гаража или дачного домика, то делать в нем водяной контур не обязательно. Обогрев такого помещения будет происходить непосредственно от поверхности котла, путем конвекции воздушных масс в помещении, как от печи. Для большей эффективности можно устроить принудительное обдувание агрегата воздухом при помощи вентилятора. При наличии системы жидкостного отопления в помещении, необходимо предусмотреть устройство в котле контура в виде змеевика из трубы или другой аналогичной конструкции.

Схема подключения твердотопливного котла к системе отопления
Выбор варианта зависит и от типа твердого топлива, которое нужно будет использовать. Для отопления обычными дровами требуется увеличенный объем топки, а для применения мелких топливных гранул можно устроить специальную емкость, из которой гранулированное топливо подается в котел автоматически. Для изготовления котла твердотопливного длительного горения своими руками, чертеж можно взять и универсальный. Он подойдет для любого вида используемого твердого топлива.



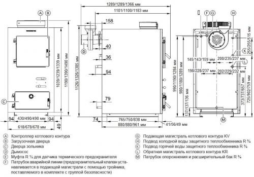
Котел стропува своими руками чертежи. Конструкция и принцип действия
Корпус котла Стропува состоит из двух основных частей: емкости цилиндрической формы помещенной в другую емкость такой же формы, которые «одеты» в теплоизоляцию. В пространстве между емкостями циркулирует теплоноситель. Топка расположена внутри малой емкости.
Конструкция котла
Битепловой регулятор тяги позволяет печи самостоятельно, без вмешательства человека, регулировать объем подачи воздуха в топку.
Принцип его действия основан на том, что при разогревании, корпус котла расширяется и битепловой регулятор автоматически прикрывает заслонку.
Если же горение в топке замедляется происходит обратный процесс, корпус остывает и сжимается и регулятор открывает заслонку.
Также как у печи Бубафоня, процесс горения происходит только в верхней части закладки, в которую через трубу распределителя воздуха (также его часто называют поршнем или пяткой) поступает регулируемое количество кислорода, это положительно сказывается на длительности горения агрегата. Перед поступлением в топку, воздух предварительно разогревается в камере разогрева воздуха, которая расположена в верхней части котла.
Распределитель воздуха всегда располагается на закладке и по мере сгорания топлива он опускается вниз.
Примечание! КПД котла можно увеличить или уменьшить изменяя объем поступления воздуха.
В зависимости от модели котла, топливом служат дрова, уголь и пеллеты. Для работы на угле и пеллетах применяются универсальные котлы Стропува с приставкой U, которые оснащаются колосниковой решеткой и заслонкой.Котел Стропува своими руками чертеж
Конструкцией котла предусмотрены две дверцы:
- для загрузки топлива (верхняя дверца);
- для удаления золы (нижняя дверца).
В задней части находиться отверстие для дымоходной трубы. Там же расположены вход и выход теплоносителя. Во всех моделях котла для подачи и обратки используется 32 мм труба.
Источник: https://cabel-electro.ru/stati/kotli-tverdopalivni-svoyimi-rukami-vidy-tverdotoplivnyh-ustanovok
