Надёжный и экономичный твердотопливный котёл своими руками. Особенности корпуса
- Надёжный и экономичный твердотопливный котёл своими руками. Особенности корпуса
- Отопление дома твердотопливным котлом своими руками. Статьи:
- Чертеж твердотопливного котла. Котел длительного горения своими руками: чертежи изделий и ТОП-11 лучших моделей
- Экономичный дровяной котел своими руками. Топливные агрегаты длительного горения
- Твердотопливный котел 100 квт своими руками. Как сделать своими руками котел твердотопливный длительного горения: чертежи и схемы
- Самодельный твердотопливный котел. Разновидности котлов
- Котел на дровах своими руками чертежи. Выбираем конструкцию обогревательного котла
- Котлы твердотопливные чертежи. Принцип работы котла длительного горения
Надёжный и экономичный твердотопливный котёл своими руками. Особенности корпуса
Чтобы корпус в форме цилиндра способствовал высокому КПД, нужно соблюсти такие рекомендации:
- Отношение высоты к внутреннему диаметру должно составлять от 3:1 до 5:1 . При этом величина диаметра должна колебаться в рамках 30-80 см. Если твердотопливный котел будет иметь слишком малый внутренний диаметр, то воздух не сможет вступать в реакцию с горючим должным образом, поскольку будет быстро выводиться через дымоходную трубу. КПД сильно упадет. Когда же котел на дровах будет иметь очень большой диаметр, то центральная часть топлива будет сгорать быстро, а края медленно. Из-за этого по центру появится яма, в которую сядет распределитель воздуха, и сгорание дров остановится.
- Стенка корпуса должна составлять 4-6 мм . Это правило касается тех случаев, когда изготавливаются твердотопливные котлы из конструкционной стали. Если же для производства будет использоваться жаростойкая сталь, то оптимальной ее толщиной является 2,5 мм.

Неправильная толщина стенки обернется такими последствиями:
- если бытовые котлы на угле буду иметь слишком тонкую стенку, то через нее будет быстро проходить тепло. То есть через нее будет выделяться слишком много тепла. В итоге, отходящие газы после прохождения через щель между корпусом и распределителем воздуха станут холоднее 400 °С, и их сгорание будет неполным. Из-за этого стенки топочной камеры начнут покрываться плотным нагаром, а на стенках дымохода сформируется очень сильный конденсат ;
- если твердотопливный котел будет иметь слишком толстые стенки, то сильно возрастет его тепловая инерция. Вода в рубашке начнет кипеть. Ситуацию не спасет даже перекрытие трубы, подающей воздух.
Согласно разным
- Газовый баллон промышленного назначения. Он имеет стенки с необходимой толщиной. В нем не нужно делать дно. Кроме этого, округлый верх способствует лучшему дожиганию дымовых газов. Твердотопливные котлы длительного горения из баллона имеют мощность, равную 12-15 кВт.
- Труба с большим диаметром . В этом случае не нужно сгибать своими руками лист металла. Впрочем, согнуть металл толщиной 4-6 мм в домашних условиях практически невозможно.
Очень часто котел на дровах делают из трубы, диаметр которой равен 30 см, и высота которой составляет 90 см.
Отопление дома твердотопливным котлом своими руками. Статьи:
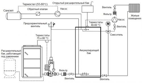
Самодельный теплоаккумулятор для твердотопливного котла: преимущества, конструктив, схема врезки в систему отопления . Многие слышали, что тепловой аккумулятор (т.н. буферная ёмкость) сокращает расходы на отопление, уменьшает количество топок котла за сутки и повышает энергетическую независимость загородного дома в форс-мажорных обстоятельствах. Правда ли это? Ответим на эти вопросы, рассмотрев пример самодельного теплового аккумулятора из металлической бочки для системы отопления на базе твердотопливного котла.

Дрова и уголь против топливных брикетов: выявляем сильнейшего . Чем лучше всего топить твёрдотопливный котел или печь в загородном доме? Сравниваем удобство использования и экономическую выгоду от самых распространённых среди российских загородных и сельских жителей видов топлива.
Самодельные козлы для распиливания дров и дровокол: чертежи, конструктив, опыт использования . Не у всех есть силы и время махать топором или колуном. Или пилить бензопилой бревна, лежащие на земле. Если колка дров топором не в радость, а в тягость, то сделайте козлы для распиливания дров и дровокол, которые упростят работы по заготовке дров на зиму.
В статье: как выбрать твердотопливный котёл, что нужно знать об особенностях их конструкции, и какие меры предосторожности необходимо соблюдать при эксплуатации.
Детальный конструктив и этапы разработки необычного твердотопливного котла, работающего по принципу действия ракетной печи.
Чертеж твердотопливного котла. Котел длительного горения своими руками: чертежи изделий и ТОП-11 лучших моделей
При доскональном и правильном изучении чертежей твердотопливных котлов вполне возможно сделать котел длительного горения своими руками надежным и экономичным.
Твердотопливные котлы уже не одно десятилетие пользуются немалой популярностью, хотя и имеют один существенный минус – они нуждаются в постоянной загрузке топлива (угля, дров и т. д.). Из-за этого недостатка от них нередко отказываются при обустройстве отопительной системы, но от него легко избавиться – сделать котел длительного горения своими руками, функционирующий почти на всех типах(исключительно твердого, разумеется).

Котел длительного горения своими руками

Для растопки котла можно использовать уголь
Как устроен самодельный котел длительного горения
Принцип работы
Схема работы таких котлов основывается на особенноститлеть несколько часов, производя при этом большое количество тепловой энергии. Характерно, что топливо в таком случае сжигается более полно, а количество отходов, как следствие, заметно снижается.

Чертеж котла
Обратите внимание! Замена активного сжигания тлением возможна ввиду особого устройства отопительного котла.
Основным элементом котла является топка, где горение ограничено, а интенсивность подачи воздуха контролируется при помощи специальных приспособлений. Топливо загружается два раза в сутки большими порциями, после чего медленно тлеет (ограниченное количество кислорода не позволяет ему полноценно гореть).
Труба, посредством которой выводится дым, пропускается через теплообменники и нагревает жидкость в отопительной системе. Выходит, достаточно лишь каждые 12 часов загружать топливо для бесперебойного обогрева дома.

Схема котла
Основные преимущества
Котлы длительного горения выделяются на фоне отопительных систем других типов. Конечно, основное преимущество – это именно длительность работы, но есть и другие важные моменты:
- низкая стоимость топлива;
- автономность;
- возможность обогрева больших площадей при минимальных расходах;
- легкость монтажа и эксплуатации;
- безопасность;
- возможность изготовления в домашних условиях.

Виды твердотопливных котлов
Устройство прибора
Для изготовления котла удобнее использовать металлическую трубу ø30 см и больше с толщиной стенок не менее 5 мм (иначе последние в скором времени прогорят из-за высокой температуры внутри прибора). Высота конструкции может колебаться между 80 см и 100 см, все зависит от площади помещения.
Труба для корпуса
Вне зависимости от модификации котел состоит из трех основных зон:
- загрузочной зоны;
- зоны тления и теплообразования
; - зоны окончательного сжигания, где горит зола и выводятся дымные газы.
Обратите внимание! Прибор, который ограничивает загрузочную зону и, соответственно, время тления, называют распределителем воздуха.
Данный элемент выполняется в виде металлического круга толщиной 5-6 мм с отверстием посередине, через которое с помощью телескопической трубы кислород подается в топку. Диаметр изделия должен быть несколько меньше диаметра корпуса. Высота регулируется посредством специальной крыльчатки.

Котел на дровах длительного горения

Котел на дровах длительного горения
Мнение эксперта:
Масальский А.В.
Редактор категории "строительство" на портале Stroyday.ru. Специалист по инженерным системам и водоотведению.
Обычно зона сжигания не превышает 5 см в высоту – если она будет большей, то топливо будет сгорать слишком быстро. К слову, кислородная труба может быть не только телескопической, но и цельной. Ее диаметр обычно составляет 6 см, в то время как размер отверстия в воздушном распределителе не превышает 2 см, дабы не пресыщать зону кислородом.

Котел длительного горения
Воздух может подаваться одним из двух способов:
- прямо из атмосферы;
- из специальной камеры нагрева (она располагается в верхней части конструкции), что обеспечивает более эффективную работу котла.
Для регулировки используется специальная воздушная заслонка.
Сверху приваривается дымоотводная труба. Она должна вестись перпендикулярно корпусу минимум 0,5 м, иначе образуется чрезмерная тяга.
Снизу оборудуется дверка для удаления продуктов горения. Чистку нужно проводить нечасто, ведь топливо будет сгорать полнее.
Существует два способа нагрева теплоносителя, у каждого есть свои сильные и слабые стороны.

Котел длительного горения
Котел длительного горения
Способ №1. К трубе теплообменника, проходящей через зону сгорания, подключается змеевик, посредством которого и происходит нагрев воды в баке.
Способ №2 . Формируется отдельный металлический бак, сквозь который пропускается труба дымохода. Разгоряченный дым подогревает жидкость.
Первый способ более эффективен, но вместе с тем более сложен в выполнении. Второй сделать проще, но он целесообразен только в небольших домах.
Цены на модельный ряд твердотопливных котлов
Твердотопливные котлы
Изготовление котла длительного горения
Котел
Сделать такую конструкцию в домашних условиях несложно, но для этого потребуются навыкии четкая инструкция.
Экономичный дровяной котел своими руками. Топливные агрегаты длительного горения
Идея создать своими руками твердотопливные котлы длительного горения наверняка многим покажется привлекательной. Прелесть таких конструкций в том, что закладывать дрова в них нужно лишь пару раз в сутки. Котел длительного горения отличается от традиционного агрегата тем, что в нем горение начинается с верхней части закладки топлива. При этом воздух в топливную камеру также подается сверху.
Схема котла длительного горения на твердом топливе предполагает наличие водяного контура вокруг его корпуса, поэтому вода в нем качественно прогревается на любом этапе процесса. Поскольку при работе котла горит не сразу вся закладка, а лишь верхний слой топлива, его хватает почти на 30 часов. Ряд универсальных твердотопливных котлов при использовании угля могут работать до 7 дней на одной закладке.
Данная конструкция не отличается конструктивной сложностью и не имеет каких-либо точных приборов, нуждающихся в подключении к электричеству. Поэтому цена на них вполне приемлема для потребителя. К тому же, собрать по готовым чертежам котел на твердом топливе своими руками вполне под силу домашнему мастеру. Можно сделать котел отопления своими руками и сэкономить немало денег.

Приведем несколько недостатков у данных конструкций. В работающий котел нельзя добавить топливо. Дрова для котла должны быть хорошо просушены (не более 20 % влажности) и распилены на небольшие поленья. Уголь можно применять только высокого качества, с малым содержанием шлаков. Кроме того, агрегаты данного типа ограничены по мощности – как правило, не более 40 кВт.
Еще одна разновидность котлов на твердом топливе – пеллетные агрегаты. Их отличие состоит в том, что в качестве топлива используются гранулы из отходов деревообработки. Большая часть промышленных моделей имеют особый бункер, из которого гранулы автоматически подаются в топку.
Твердотопливный котел 100 квт своими руками. Как сделать своими руками котел твердотопливный длительного горения: чертежи и схемы
Перед тем, как начать изготовление котла, необходимо определиться с его конструкцией. Ее выбор зависит от назначения агрегата. Если он предназначен для отопления небольшого хозяйственного помещения, гаража или дачного домика, то делать в нем водяной контур не обязательно. Обогрев такого помещения будет происходить непосредственно от поверхности котла, путем конвекции воздушных масс в помещении, как от печи. Для большей эффективности можно устроить принудительное обдувание агрегата воздухом при помощи вентилятора. При наличии системы жидкостного отопления в помещении, необходимо предусмотреть устройство в котле контура в виде змеевика из трубы или другой аналогичной конструкции.

Схема подключения твердотопливного котла к системе отопления
Выбор варианта зависит и от типа твердого топлива, которое нужно будет использовать. Для отопления обычными дровами требуется увеличенный объем топки, а для применения мелких топливных гранул можно устроить специальную емкость, из которой гранулированное топливо подается в котел автоматически. Для изготовления котла твердотопливного длительного горения своими руками, чертеж можно взять и универсальный. Он подойдет для любого вида используемого твердого топлива.


Самодельный твердотопливный котел. Разновидности котлов
Все существующие твердотопливные котлы можно условно разделить на 3 группы:
Существует и ряд иных классифицирующих признаков, но именно принцип сгорания топлива является определяющим при выборе котла.
Пиролизный
В котлах подобного типа топливо сгорает медленно при минимальном доступе воздуха, за счет чего увеличивается количество горючего газа и при повторном его сгорании КПД котла повышается до 85-90%. И хотя некоторые считают, что изготовить собственноручно такой котел очень сложно, мы расскажем и, главное, покажем, как правило сделать пиролизный твердотопливный котел длительного горения своими руками (чертежи см.ниже).
Фото 1 Схема устройства пиролизного котла на дровах
Классический
Конструктивно это стандартная деревянная печь, где за счет меньшего размера топочной камеры топливо сгорает чуть медленнее. Как правило, именно такие котлы предпочитают изготавливать самостоятельно. О том, как сделать такой классический агрегат, вы также узнаете в статье.
Фото 2 Схема классического котла длительного горения
Конструкция таких котлов примечательна не только простотой изготовления, но и возможностью подключения второго контура для получения горячей воды одновременно с отоплением.
Это наиболее эффективные котлы, коэффициент полезного действия которых приближается к 95%. Основное преимущество в полностью автоматическом процессе, где загруженные в бункер пеллеты посредством шнека пересыпаются в камеру сгорания. Сложная конструкция и автоматика делают его самостоятельное изготовление затрудненным.
Фото 3 Схема твердотопливного котла с автоматической подачей пеллет
Разновидности топлива
На сегодняшний день твердое топливо на российском рынке представлено в большом ассортименте. Это:
- дрова, в том числе евро (спрессованные хвойные или лиственные опилки),
- гранулированные биопеллеты (спрессованные опилки, торф, отходы сельского хозяйства и т.д.);
- уголь – все разновидности и фракции каменного и антрацит;
- отходы деревообрабатывающего и сельскохозяйственного производства.
Для того, чтобы отопление было рентабельным, рекомендуется приобретать или изготавливать универсальный котел, который может функционировать на любом виде топлива
Если вы решили приобрести такое оборудование, обратите внимание на комбинированные котлы отопления. которые работают на альтернативных видах топлива, причем переключение осуществляется очень быстро и легко
Это могут быть следующие варианты:
- электрические комбо;
- твердотопливные комбо;
- универсальные, использующие любые комбинации топлива.
Конструкция и принцип работы
Принцип работы такого котла относительно прост – снизу подтягивается холодный воздух, проходя через стенки камеры, он нагревается, поднимается вверх и обогревает помещение.
Фото 4 Делаем котел из подручных материалов
В котлах длительного горения, в отличие от традиционных, доступ воздуха должен быть максимально ограничен. Для того, чтобы увеличить продолжительность горения и сократить количество свободного пространства в камере сгорания, необходимо загружать топливо как можно больше и плотнее.
Котел на дровах своими руками чертежи. Выбираем конструкцию обогревательного котла
Печи для обогрева и твердотопливные котлы при сходстве процессов горения различаются по функциональности. Отопительный котёл, в отличие от печи, должен не только обогревать помещение по месту установки, сжигая дрова или уголь, но и снабжать отопительный контур нагретым теплоносителем. Но для выполнения второй задачи мало разместить в печи теплообменник (участок отопительного контура) — необходимо также обеспечить непрерывность горения топлива и равномерность циркуляции теплоносителя через этот змеевик.
Трубный теплообменник твёрдотопливного котла из огнеупорного кирпича
Какую конструкцию котла выбрать, чтобы было легче его изготовить своими руками, с какими сложностями придётся столкнуться в процессе работы? На эти вопросы можно получить ответ еще на стадии проектирования. Чертежи самодельных твердотопливных котлов дают достаточное представление о том, как выглядит та или иная конструкция, и на что следует обратить внимание в процессе изготовления.
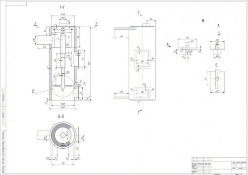
Пример схематичного изображения твёрдотопливного котла снаружи: виды спереди, сбоку и сзади.
*
Каждая разновидность котельного оборудования, работающего на твердом топливе, имеет свои особенности конструкции и нюансы изготовления. Планируя самостоятельную сборку отопительного агрегата, необходимо решить, какой конструкции отдать предпочтение — с нижним или верхним (шахтным) способом горения.
Агрегаты с нижним горением — это оборудование, в котором дверка для загрузки дров расположена в верхней части камеры сгорания, но сгорание топлива происходит снизу, в результате чего верхние слои закладки под собственным весом перемещаются вниз, а дожигание дыма происходит в верхней части. В зависимости от модели, движение воздуха через топку происходит снизу вверх принудительно (вентилятор) или же естественным путём (тяга), что обуславливает независимость от электросети, но пониженную эффективность и меньший объём загружаемого топлива.
Схематичное изображение в разрезе твёрдотопливного котла с нижним горением топлива
В твёрдотопливных котлах шахтной конструкции загрузка дров производится через дверку, которая расположена в верхней части камеры сгорания. Такие агрегаты оборудуются принудительной тягой, которая направлена сверху вниз — гонит дым в нижнюю часть топки, где он в смеси с воздухом сгорает, а по пути подогревает и дополнительно просушивает топливо нижних ярусов.
Схема работы твёрдотопливного отопительного котла с верхним способом горения топлива
К самостоятельному изготовлению больше подходит агрегат с нижним способом горения, так при его сборке можно обойтись без вентилятора для принудительной тяги.

Твёрдотопливный стальной котёл нижнего горения без отделки
Важно! Чем сложнее конструкция оборудования, тем выше технологические требования к качеству исполнения её составляющих, которые не должны иметь отклонений от расчётных параметров. Не менее ответственен и процесс сборки такого агрегата.
*
По способу горения котлы на твердом топливе могут быть рассчитаны на обычный режим или же работать с выходом на пиролиз — процесс разложения твёрдого топлива на две составляющие и с последующим раздельным их сжиганием. Отдавая предпочтение второму, более сложному, варианту, придется учитывать необходимость установки второй камеры сгорания, что увеличит габариты отопителя и, соответственно, потребует большего количество материалов.
Выбор типа отопительной техники во многом определяется видом твердого топлива, которым будет снабжаться нагревательный прибор. Если у вас под рукой в большом количестве дрова, лучше будет, если сделанный вами котел будет рассчитан на топку дровами. При большей доступности каменного угля подойдет другая модель. Длительность горения закладки, качество обогрева определяются типом твердотопливного котла, его мощностью и эффективность ю конструкции.
На заметку: температура горения угля значительно выше, чем у дров, поэтому колосники , теплообменник и корпус котла под уголь изготавливаются из стали большей толщины. Альтернативой может стать создание корпуса и топочной камеры котла из огнеупорного кирпича.
Если нет возможности создать внешний корпус агрегата из стали необходимой толщины, рациональным решением станет кирпичный твердотопливный котел . Футеровка огнеупорным кирпичом позволит создать просторную, удобную и устойчивую к высоким температурам камеру сгорания.
Сооружение камеры сгорания из огнеупорного кирпича с размещением внутри теплообменника
Выбор котла с конструкцией приемлемой сложности необходимо делать после анализа технического исполнения и объективной оценки своей компетенции и возможностей. При наличии сомнений, чтобы исключить вероятность неоправданной порчи материала, лучше отдать предпочтение агрегату простой, понятной по чертежам конструкции — даже такой твёрдотопливный котёл способен обеспечить дом теплом в холодное время года.
Котлы твердотопливные чертежи. Принцип работы котла длительного горения
В обычных твердотопливных агрегатах, одной закладки хватает на 6-7 часов горения. Соответственно, если в топку не будет добавлена очередная порция ресурсов, температура в помещении сразу же начнет снижаться. Это происходит из-за того, что основное тепло по помещению циркулирует по принципу свободного движения газа. Нагреваясь от пламени, воздух поднимается вверх и выходит наружу.
Теплового ресурса котла длительного горения хватает примерно на 1-2 суток с одной закладки дров. Некоторые модели могут поддерживать тепло до 7 суток.
За счет чего достигается такая экономичность и эффективность?

Схема работы котла
От обычного котла, ТТ котел длительного горения отличается наличием сразу двух камер сгорания. В первой стандартно сгорает само топливо, а во второй — выделившиеся при этом газы.
Большую роль в этом процессе играет своевременная подача кислорода, которую обеспечивает вентилятор.
Такой принцип был реализован сравнительно недавно. В 2000 году литовская компания Stropuva впервые презентовала эту технологию, которая стразу снискала уважение и популярность.

Самодельный котел длительного горения
Сегодня это является наиболее дешевым и практичным способом обогреть загородный дом, там, где не предусмотрена газификация и случаются перебои с электричеством.
Такие агрегаты работают по принципу горения верхнего топлива. Стандартно во всех печах топка располагается внизу, что позволяет забирать с пола холодный воздух, нагревать его и поднимать вверх.
Принцип работы этого котла в чем-то поход на пиролизный. Основное тепло здесь выделяется не от сгорания твердого топлива, а от выделившихся газов в результате этого процесса.
Сам процесс сгорания происходит в закрытом пространстве. Через телескопическую трубу выделившийся газ поступает во вторую камеру, где происходит его полное сгорание и смешивание с холодным воздухом, который подкачивает вентилятор.

ТТ котел длительного горения (схема)
Это беспрерывный процесс, который происходит до тех пор, пока полностью не прогорит топливо. Температура при таком горении достигается очень высокая – около 1200 градусов.
Как уже говорилось выше, в этом котле реализовано две камеры: основная большая и маленькая. В большую камеру закладывается само топливо. Ее объем может достигать 500 куб.дм.
Ресурсом для горения может выступать любое твердое топливо: опилки, угли, дрова, паллеты.
Постоянный приток воздуха осуществляет встроенный вентилятор. Преимуществом этого метода заключается в том, что твердое топливо расходуется крайне медленно.
Это значительно увеличивает экономичность такого отопительного прибора. Почему же так медленно прогорают дрова, по сравнению со стандартной печью?
Суть заключается в том, что прогорает лишь верхний слой, так как воздух нагнетается вентилятором сверху. Причем вентилятор добавляет воздух только после того, как полностью прогорит верхний слой.
На рынке представлено сегодня множество моделей, которые работают по одному и тому же принципу, но, в зависимости от габаритов, материала исполнения, дополнительных опций, имеют разную эффективность и экономичность.

Универсальность топлива
Универсальные ТТ котлы работают абсолютно на любом топливе, что значительно упростит владельцам их эксплуатацию. Более бюджетным вариантом является дровяной ТТ котел длительного горения. Он работает исключительно на дровах и другой вариант топлива в него закладывать нельзя.
