Монтаж теплого пола электрического. Устройство электрического теплого пола: виды, схемы, монтаж своими руками
- Монтаж теплого пола электрического. Устройство электрического теплого пола: виды, схемы, монтаж своими руками
- Теплый пол электрический под плитку. Почему именно электрический?
- Монтаж теплого пола электрического под ламинат. Порядок монтажа кабельного мата
- Монтаж теплого пола электрического под плитку. Особенности электропола
- Теплый пол электрический кабель. Что нужно знать про нагревательный элемент кабельного теплого пола
- Шаг укладки электрического теплого пола. Монтаж инфракрасного электрического теплого пола
- Монтаж электрического теплого пола под стяжку. Варианты монтажа электрического теплого пола
- Монтаж электрического теплого пола под линолеум. Линолеум и система с подогревом: чего следует опасаться?
Монтаж теплого пола электрического. Устройство электрического теплого пола: виды, схемы, монтаж своими руками
Отопительные приборы, в которых электроэнергия генерируется в тепловую, называются электрическими. К данным системам обогрева относятся электрические тёплые полы, которые используются как основной или дополнительный источник тепла.
Электрические полы бывают нескольких видов . Мы поможем вам разобраться в особенностях каждой модели, расскажем о положительных и отрицательных сторонах. Так же Вы узнаете, как сделать монтаж электрического отопления своими руками или предлагаем ознакомится с более.
Виды электрических полов
Конструкции тёплых электрических полов различаются видом нагревательного элемента — кабель или нагреватель инфракрасного излучения.
К первому виду относится:
- греющий кабель — может применяться одно, двухжильный или саморегулирующийся провод;
- нагревательные маты — тот же кабель, но зафиксированный на сетке.
Инфракрасные системы, бывают:
- плёночными — гибкое полотно с инфракрасным элементом нагрева;
- стержневыми — маты с карбоновыми стержнями.
Ниже мы рассмотрим их особенности и недостатки подробнее.
Кабельный пол
В конструкции кабельного электрического пола главным элементом выступает провод, в нём эл. энергия трансформируется в тепловую.

Устройство кабельного пола и нагревательного элемента
Кабельное отопление включает в себя: нагревательный кабель, соединительные муфты, регулировочные и контролирующие приспособления.
Основная часть — греющий кабель, он имеет несколько изоляционных слоёв. В его составе: токоведущие жилы, стекловолокнистое армирование, полиэфирная плёнка, медный проводник, алюминиевый экран и защитный слой ПВХ.
Кабель для тёплых электрических полов бывает резистивный и саморегулирующий. К резистивным относятся:
- Одножильный — стоит не дорого, но высокий уровень электромагнитного излучения делает установку недопустимой в жилых комнатах.
- Двужильный — в нём одна нагревательная жила выполняет функцию обычного провода, вторая — нагревательного. Это свойство увеличивает стоимость, но зато снижает ЭМИ.

Саморегулирующий кабель — он может менять уровень нагрева в зависимости от температуры в помещении. Устройство провода — две замкнутые параллельные токовыводящие жилы с полупроводниковой матрицей.
Эти полупроводники отвечают за регулировку и контролируют уровень нагрева. Свойство такого вида кабеля приводит к экономии электричества, но это не отражается на равномерности прогрева поверхности.
Принцип работы
Внешне греющий кабель напоминает обычный провод, передающий электрическую энергию, но все не так просто. В его жилах происходит преобразование электроэнергии в тепловую.
Так как провод экранированный, то он пригоден для укладки в помещениях с высоким уровнем влажности.
Теплый пол электрический под плитку. Почему именно электрический?
Современные технологии предлагают хозяевам домов или квартир два базовых подхода – это создание системы, завязанной с основной системой отопления, и организация электрического «теплого пола» нескольких типов. В обоих случаях «теплый пол» под плиткой может рассматриваться либо как основной источник тепловой энергии в данном помещении, либо только в качестве эффективного средства повышения комфортности.
На первый взгляд, оптимальным решением становится водяной подогрев – как более экономичный в плане энергозатрат. Возможно, такое мнение еще и подпитывается «надеждами», что трубные контуры достаточно подключить к стоякам центральной или автономной системы отопления – и все заработает. Увы, не все так просто – предстоят весьма масштабные работы, которые могут усложниться еще и административными проблемами по получению разрешения на создание подобной системы отопления.
Теплый водяной пол от отопления – весьма проблемная задача!
Использовать центральное отопление в качестве источника энергии для создания водяного «теплого пола» – сложная, а порой даже и совершенно невыполнимая задача. С какими проблемами предстоит столкнуться желающему сделать теплый пол от отопления , и каковы возможные пути их решения – читайте в специальной публикации нашего портала.
По многим позициям электрические «теплые полы» выглядят значительно привлекательнее водяных:
- Водяные контуры, даже самого высокого качества и безупречной сборки – это все равно определённый риск появления протечек теплоносителя. В электрических полах, понятно, что такое даже не рассматривается.
- Большинство технологий укладки водяного «теплого пола» требует массивной бетонной стяжки – это достаточно трудоемкая операция, требующая немало времени и сил. Кроме того, такая стяжка становится весьма значительной дополнительной нагрузкой на перекрытия. Некоторые электрические полы также требуют стяжки, но ее толщина будет уже существенно меньше. А кроме того, многие нагревательные электросистемы позволяют и вовсе обходиться без заливки стяжки.
- Монтаж трубных контуров – несопоставимо сложнее, чем раскладка нагревательных кабелей или матов.
- Электрический подогрев полов не требует сложного и громоздкого коллекторно-смесительного оборудования. Все ограничивается компактным блоком управления, который, кстати, открывает возможности намного более точной регулировки режимов работы.

Даже по своим габаритам «группы управления» водяным и электрическим «теплыми полами» — абсолютно не сопоставимы. Не говоря уже о простоте их монтажа и эксплуатации …
- Что особо важно для жителей квартир – создание системы электрического «теплого пола» является вполне выполнимой инициативой любого владельца, без необходимости прохождения утомительных процедур согласования и получения разрешения. Единственное условие – это оставаться в границах выделенного лимита мощности потребления (на дом или квартиру положено до 15 кВт) – но выйти за эти рамки сложно даже теоретически.
Электроэнергия, правда, является наиболее дорогой, но при разумном подходе, качественной термоизоляции и грамотно отрегулированной системе подогрева полов вполне можно достичь высоких показателей экономии.

Разница в распределении температур в помещении при использовании «теплого пола» и обычного радиаторного отопления
Получаемый в итоге пол с подогревом будет способствовать наиболее оптимальному распределению тепла в помещении – с максимальной температурой внизу и ее постепенным снижением по мере увеличения расстояния от пола. Кроме того, керамическая плитка, получая «тепловой заряд», имеет свойство его накапливать и постепенно передавать воздуху, что также способствует плавной, наиболее экономичной работе системы, минимизации количества ее включений.
Монтаж теплого пола электрического под ламинат. Порядок монтажа кабельного мата
Будем считать, что пол утеплен и выровнен. Слишком разные бывают ситуации и точно сказать какой должен быть пирог стяжки можно только применительно к каждому случаю.
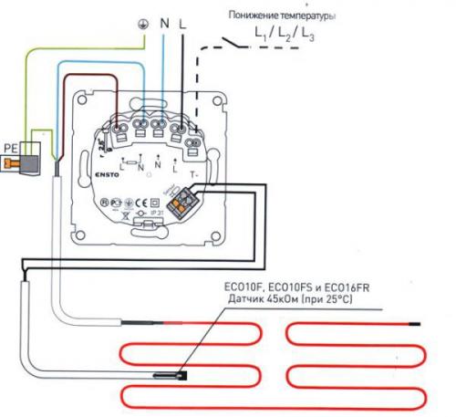
При установке электрического подогрева пола любого типа начинают монтаж с установки терморегулятора. Его располагают на стене на комфортной высоте, но не ниже 30 см от пола. Устанавливается он в стандартную монтажную коробку (как розетка). Под коробку в стене сверлят отверстие. Для этого используют дрель с соответствующей насадкой — коронкой.

Сверлим отверстие под монтажную коробку
От коробки вниз прокладывают две штробы. В одной будут уложены электрические кабели от нагревательных элементов, в другой — датчик в гофрошланге. Канавка, предназначенная для укладки датчика температуры пола, продолжается еще и на полу. От стены она должна отстоять не менее чем на 50 см.

Штроба под датчик температуры должна заходить на пол не менее чем на 50 см
Для обеспечения теплого пола электричеством к термостату надо подвести 220 в. Сечение проводов выбирают в зависимости от потребляемого тока. Данные приведены в таблице.

Выбор сечения проводов для подключения питания к терморегулятору электрического теплого пола
После того как штробы сделаны можно начинать укладывать электрический теплый пол своими руками. Для этого с поверхности пола удаляется весь мусор (тщательно подметите).

Поверхность пола должна быть абсолютно чистой
Для улучшения сцепления стяжки и плиточного клея его грунтуют.

Грунтовка для лучшего сцепления с клеем
После высыхания грунтовки в подготовленную канавку можно уложить температурный датчик. Его опускают в гофрошланг (часто идет в комплекте). Сам датчик находится на кончике длинного провода. Его заводят до края трубы, закрытого заглушкой. Заглушка необходима, чтобы клей или раствор не испортили датчик. После тестером проверяют, не повредили ли при работе датчик. Если все нормально, можно его устанавливать.

Датчик заводим в гофрошланг
Гофру укладываем в приготовленную заранее штробу, провод заводим в монтажную коробку, подготовленную под терморегулятор.

Укладываем датчик в канавку
Провода заводим в монтажную коробку терморегулятора.

Заводим кабель от датчика в монтажную коробку
Канавку с датчиком заделывают плиточным клеем, следя чтобы не было перепадов.

Канавку закрываем плиточным клеем
Далее для уменьшения расходов на отопление можно расстелить на пол тонкий слой утеплителя с ламинированной поверхностью.

Монтаж теплого пола электрического под плитку. Особенности электропола
Теплый электрический пол под плитку позволит качественно прогреть квартиру. Его монтаж несложен. Чтобы правильно выбрать подходящий теплый пол, нужно знать, какие разновидности существуют и какие у них достоинства. Важно разбираться в том, как правильно устанавливать кабельный теплый пол под плитку и на что при этом обращать внимание.
Что такое электрический теплый пол
Использование теплого пола — один из популярных видов обогрева. Он позволяет не занимать площадь для размещения обогревательных приборов. При этом качество отопления улучшается: теплый пол способен греть помещение равномерно по всей площади.

Укладка плитки
Электрические устройства такого рода делятся на два типа:
- конвекционные;
- те, которые используют инфракрасное излучение.
Конвекционные устройства подразумевают использование специальных нагревательных кабелей. В процессе работы они передают нагрев предметам, с которыми соприкасаются. Иногда такие кабели делают в составе обогревательных матов.
Инфракрасное нагревательное покрытие представляет собой специальную пленку с нанесенными на нее инфракрасными элементами. В процессе работы возникает инфракрасное излучение, прогревающее предметы, на которые оно попадает.

Покрытие пола плиточным клеем
Покрытие пола плиточным клеемУстановка такой конструкции довольно простая. При этом пленку укладывают на отражающее покрытие. Затем пол закрывают финишной отделкой. При этом отсутствует необходимость использования бетонной стяжки или аналогичного слоя.
Достоинства и недостатки электропола в доме
Преимущества установки электрополов:
- Использование электричества дает возможность удобно изменять степень прогрева.
- При работе такого пола в нижней части помещения происходит равномерный нагрев по всей площади. Одним из последствий этого является отсутствие токов воздуха сверху вниз или в горизонтальных направлениях. При этом не происходит накопления или перемещения пыли и частиц грязи.

Укладка кабеля для теплого пола
Укладка кабеля для теплого пола
- Высокий уровень безопасности. Детали устройства надежно скрыты, что исключает возможность случайного ожога или удара током.
- Эта система обогрева работает эффективно. Поскольку присутствует удобная регулировка, можно выставлять оптимальную степень нагрева в зависимости от конкретной ситуации.
- Установку таких нагревательных приборов можно сделать, не имея профессиональных навыков. Простой монтаж позволяет практически любому хозяину установить систему самостоятельно.
У таких полов установлен длительный срок эксплуатации.

Выгоды от использования
Можно ли сделать теплый пол греющим кабелем под плитку
Такой вариант теплого пола не только допустим, но и считается одним из наиболее эффективных. Плитка имеет высокую теплопроводность. Кроме того, если стелить такой теплый пол, можно его установить в слой клея под плитку без использования стяжки или других подобных методов.

Монтаж греющего кабеля
Виды электрических полов
Существуют различные виды электрообогрева полов. Чтобы разобраться в их сильных и слабых сторонах, далее будет подробно рассмотрен каждый из используемых на практике вариантов.

Виды электрических полов
Кабельный теплый пол
Обычно используются следующие варианты такого пола:
- проволочные;
- одножильные;
- двухжильные.
Теплый пол из провода
В первом случае прогрев осуществляется с помощью специальных проводов, имеющих небольшое сечение. Они будут нагреваться не так сильно, как мощные кабели, но их можно положить плотно друг к другу. На практике достаточно установить 5 см между посторонними проводами. Для устройства такого пола нет необходимости использовать бетонную стяжку.
Из-за того, что провода уложены плотно, на них можно непосредственно накладывать ламинат, а на него любое подходящее покрытие. При укладке плитки провода будут фактически расположены в слое клея. Рекомендуется в таком случае под провод подкладывать подложку, тогда нужно ожидать более равномерного прогрева.
Одножильная конструкция
Кабель включает в себя несколько частей:

Одножильный провод
- Проводник, по которому идет ток, создавая нагрев.
- Изоляционный слой.
- Оплетка, представляющая собой дополнительный слой защиты.
- Внешняя гидроизоляционная оболочка.
- Внешняя защитная оболочка кабеля.
Оплетка может использоваться как заземление. У более дорогих кабелей заземление установлено дополнительно. Укладка должна происходить таким образом, чтобы в итоге оба конца кабеля находились рядом друг с другом.

Способ укладки одножильного кабельного пола
Использование двужильного кабеля
В этом случае устройство будет более сложным:

Конструкция двухжильного кабеля
- Две жилы кабеля.
- У каждого из проводов имеется изоляция.
- В обоих случаях применяется армирующий слой.
- Затем установлен водоотталкивающий экран.
Важно! Такой кабель может быть с одним или двумя заземлениями. При монтаже нет необходимости подключать оба конца к одному источнику тока. Второй конец может быть подключен к электросети.

Теплый пол электрический кабель. Что нужно знать про нагревательный элемент кабельного теплого пола
Электрический кабель — это базовый греющий элемент кабельной системы, предназначенной для напольного отопления. В момент приобретения оборудования в первую очередь следует выяснить, какова его мощность на единицу длины. Различные производители и торговые марки предлагают своим клиентам электрокабели с уровнем удельного выделения тепла в диапазоне от 17 Вт/м до 21 Вт/м. Даже минимальное превышение этих показателей считается не только крайне нежелательным, но и небезопасным.
В кабельной напольной отопительной системе обычно используют кабель двух видов: саморегулирующийся либо резистивный.
Особенности саморегулирющегося кабеля
Саморегулирующийся кабель сконструирован таким образом, что уровень выделяемого им полезного тепла меняется вместе с температурой в помещении, в котором размещено греющее оборудование. Такие теплые полы можно монтировать непосредственно под напольное покрытие, так как местный перегрев им абсолютно не страшен.
Специфика и устройство резистивного кабеля
Резистивный греющий кабель используют в основной массе электрических теплых полов. Он подходит под разные типы напольного покрытия и классифицируется по следующим параметрам:
1. Конфигурация:
- одножильные имеют 1 металлическую греющую жилу (изготовляется из латуни, оцинкованной стали, нихрома или другого высокопрочного материала) и 2 вывода для монтажа, расположенные с обоих концов кабеля. Снабжаются внутренней изоляцией и специальным экраном, предохраняющим конструкцию от всевозможных механических повреждений и снижающим уровень электромагнитного излучения;
- двужильные состоят из 2 жил (греющая+возвратная либо греющая+греющая), одного монтажного вывода и удобной концевой муфты. Сверху покрываются оплеткой из металла и активным защитным экраном. Схема их укладки значительно проще, нежели у одножильных, но стоимость несколько выше.
2. Толщина:
- тонкие — от 2 до 3 мм — не нуждаются в стяжечной укладке и легко монтируются даже в слой самого обычного плиточного клея;
- толстые — от 4 до 5 мм — для корректной работы обязательно заливаются
бетонно-цементным раствором (стяжкой).
3. Общая линейная мощность из расчета на погонный метр:
- кабель активного нагрева — 18–22 Вт/п.м. — имеет высокий показатель КПД и требует интенсивной теплоотдачи. Над ним непременно размещают прослойку из прочного теплоемкого материала высотой не менее 3 сантиметров. При таком варианте монтажа происходит необходимый отбор выработанного кабелем тепла, и система не перегревается даже при постоянной эксплуатации;
- кабель умеренного нагрева — 8–12 Вт/п.м. — прогревается медленно и плавно. Подходит для «сухого» монтажа, для установки без использования
цементно-бетонной стяжки и для укладки под напольные покрытия с низкой теплопроводимостью (ламинат, ковролин, линолеум, паркет и пр.).
Оба вида электрического кабеля работают стабильно, долго и надежно. Если система смонтирована и эксплуатируется в строгом соответствии с правилами и нормами, заявленными производителем, срок службы греющего кабеля составляет не менее 50 лет.
Греющий кабель для системы напольного отопления продается на бабине, в виде отдельных секций или специальных матов (рулонов). Маты состоят из теплопроводника, который уложен змейкой и укреплен на основе из стекловолоконной сетки. Такой материал можно легко разрезать на фрагменты, разумеется, не нарушая целостность электрокабеля, и покрыть им плоскости любого размера и формы.
Шаг укладки электрического теплого пола. Монтаж инфракрасного электрического теплого пола
Инфракрасный (пленочный) теплый пол монтируется с некоторыми отличиями от своего кабельного «собрата». Следуйте инструкции.

Монтаж инфракрасного электрического теплого пола

Электрический инфракрасный теплый пол

Принципиальная схема подключения ИПО
Составляем схему укладки
Первый шаг. Выбираем место установки терморегулятора. Его монтаж рекомендуется выполнять с 15-сантиметровым отступом от поверхности пола.

Монтаж скрытого терморегулятора теплого пола

Монтаж скрытого терморегулятора теплого пола
Второй шаг. Составляем схему укладки системы обогрева.
Важно: пленку нельзя размещать под крупными бытовыми приборами, мебелью и прочими тяжелыми вещами.
При составлении схемы учитывайте следующие важные нюансы:
- первый ряд пленки должен быть уложен с отступом не менее 100 мм и не более 400 мм от стен;
- если теплый пол будет применяться в качестве основной системы обогрева, он должен занимать как минимум 70-75% суммарной площади поверхности;
- если инфракрасная пленка укладывается в качестве дополнения к имеющемуся обогреву, достаточно, чтобы она занимала порядка 40-50% площади основания.
Укладываем и подключаем систему
Первый шаг. Раскладываем инфракрасную пленку поверх теплоизоляции. Придерживайтесь составленной схемы. При необходимости пленку можно резать по заводским линиям.

Раскладываем инфракрасную пленку поверх теплоизоляции

Резка матов
Укладку элементов выполняйте медными частями контактов вниз по направлению к стене с терморегулятором
Второй шаг. Подключаем контактные зажимы к краю медной полоски и подсоединяем провода.
Конструкция инфракрасного теплого пола

Подключение инфракрасного теплого пола
Третий шаг. Изолируем места разрезов инфракрасной пленки и соединений зажимов и кабелей. Для изоляции хорошо подходит специальная битумная мастика.

Подключение инфракрасного теплого пола
Важно: чем длиннее нагревательные полотнища, тем меньше должно быть контактов. Помните: полоса не может быть длиннее 8 м.
Часть зажимов устанавливайте на токонесущую поверхность. Оставшиеся располагайте внутри нагревательной пленки.
Монтаж электрического теплого пола под стяжку. Варианты монтажа электрического теплого пола
Процесс укладки теплого пола рознится в зависимости от выбранного способа монтажа. Если укладку планируется делать в стяжку, то подойдет либо нагревательный кабель, либо нагревательный мат. Если укладку планируется выполнить напод ковролин, плитку или ламинат, то можно использовать инфракрасную пленку или, опять же, нагревательный мат.
Принципиальное устройство системы электрический теплый пол при различных устройствах пола и напольного покрытия приведено в таблице ниже.
![]() | Электрический теплый пол под кафельную плитку на бетонном основании. 1 — Напольное покрытие, кафельная плитка; 2 — Плиточный клей или мастика для монтажа кафельной плитки; 3 — Самовыравнивающаяся смесь для пола; 4 — Нагревательный кабель или нагревательный мат; 5 — Грунтовочный слой или стяжка; 6 — Бетонное основание пола. |
![]() | Электрический теплый пол под деревянное напольное покрытие, ламинат, ковролин. 1 — Деревянный пол, ламинат или ковролин; 2 — Подложка под ламинат; 3 — Самовыравнивающаяся смесь для пола; 4 — Нагревательный кабель или нагревательный мат; 5 — Грунтовочный слой или стяжка; 6 — Бетонное основание пола. |
![]() | Электрический теплый пол в деревянных полах на лагах. 1 — Деревянное напольное покрытие; 2 — Лаги деревянного пола; 3 — Нагревательный кабель или нагревательный мат; 4 — Тонкая монтажная сетка; 5 — Изоляция; 6 — Пароизоляция; 7 — Бетонное или деревянное основание. |
![]() | Электрический теплый пол паркет или ламинат с использованием системы DEVIcell Dry. 1 — Деревянный пол, ламинат или паркет; 2 — Шумопоглащающая подложка; 3 — Нагревательный кабель; 4 — Панели системы DEVIcell Dry; 5 — Пароизоляция; 6 — Бетонное основание пола. |
![]() | Электрический теплый пол по существующим деревянным полам. 1 — Линолеум, виниловое или ковровое напольное покрытие; 2 — Щит, распределяющий нагрузку (минимальная толщина 5 мм); 3 — Шумопоглащающая подложка; 4 — Нагревательный кабель; 5 — Панели системы DEVIcell Dry; 6 — Пароизоляция; 7 — Существующая конструкция деревянного пола. |
![]() | Электрический теплый пол для организации подогрева бетонного пола толщиной более 3 см. 1 — Напольное покрытие; 2 — Шумопоглащающая подложка, плиточный клей, пароизоляция, в зависимости от типа напольного покрытия; 3 — Бетон или цементная стяжка; 4 — Нагревательный кабель; 5 — Бетонная плита или монтажная сетка. |
Источник: https://domastroevo.ru/stati/montazh-teplyy-pol-elektricheskiy-kak-rasschitat-teplye-poly
Монтаж электрического теплого пола под линолеум. Линолеум и система с подогревом: чего следует опасаться?
Всем известно, что линолеум – довольно эластичный синтетический материал, способный менять свою структуру под воздействием внешней среды. Например, он боится перепадов температуры воздуха в помещении, а точнее, слишком высоких или низких показателей.
Возникает вопрос: как реагирует полотно на близко расположенный источник тепла – водяной, электрический или ИК теплый пол? И могут ли они сочетаться, будучи слоями одного напольного покрытия?
Практика укладки теплого пола под линолеум существует давно, и каких-то особых противопоказаний к использованию этого тандема нет, однако при выборе и обогревательной системы, и линолеума необходимо учитывать их характеристики.
На упаковке с рулоном напольного покрытия обязательно должна присутствовать пиктограмма, указывающая на возможность использования его в сочетании с теплым полом
Обогревательная система, в свою очередь, должна представлять собой однородное гладкое покрытие, без выступов, так как укладка линолеума производится только на ровную поверхность. Для обеспечения данного пункта нередко на теплый пол кладут еще один слой фанеры.
Если пренебречь одним из условий монтажа, линолеум при нагревании будет растягиваться, а при остывании сжиматься и коробиться, и уже через месяц потеряет форму и цвет.
Вариант с линолеумом подходит, если на бетонное или деревянное основание укладывают водяной или ИК теплый пол, в других случаях могут возникнуть трудности. Чтобы избежать их, рассмотрим более подробно характеристики всего перечисленного материала.





