Как стелить теплый пол под плитку своими руками. Почему именно электрический?
- Как стелить теплый пол под плитку своими руками. Почему именно электрический?
 - Монтаж теплого пола электрического. Монтаж инфракрасного электрического теплого пола
 - Кабельный теплый пол под плитку. Какой лучше выбрать электрический теплый пол под плитку
 - Теплый пол под плитку с терморегулятором. Виды электрического теплого пола
 - Водяной теплый пол под плитку своими руками. Преимущества и недостатки плиточного теплого пола
 - Электрический теплый пол под плитку монтаж. Электрический теплый пол под плитку: укладка и монтаж своими руками
 - Электрический теплый пол под плитку толщина. Рекомендации
 - Электрический теплый пол под плитку без стяжки. Технология монтажа тёплого пола без стяжки
 
Как стелить теплый пол под плитку своими руками. Почему именно электрический?
Современные технологии предлагают хозяевам домов или квартир два базовых подхода – это создание системы, завязанной с основной системой отопления, и организация электрического «теплого пола» нескольких типов. В обоих случаях «теплый пол» под плиткой может рассматриваться либо как основной источник тепловой энергии в данном помещении, либо только в качестве эффективного средства повышения комфортности.
На первый взгляд, оптимальным решением становится водяной подогрев – как более экономичный в плане энергозатрат. Возможно, такое мнение еще и подпитывается «надеждами», что трубные контуры достаточно подключить к стоякам центральной или автономной системы отопления – и все заработает. Увы, не все так просто – предстоят весьма масштабные работы, которые могут усложниться еще и административными проблемами по получению разрешения на создание подобной системы отопления.
Теплый водяной пол от отопления – весьма проблемная задача!
Использовать центральное отопление в качестве источника энергии для создания водяного «теплого пола» – сложная, а порой даже и совершенно невыполнимая задача. С какими проблемами предстоит столкнуться желающему сделать теплый пол от отопления , и каковы возможные пути их решения – читайте в специальной публикации нашего портала.
По многим позициям электрические «теплые полы» выглядят значительно привлекательнее водяных:
- Водяные контуры, даже самого высокого качества и безупречной сборки – это все равно определённый риск появления протечек теплоносителя. В электрических полах, понятно, что такое даже не рассматривается.
 - Большинство технологий укладки водяного «теплого пола» требует массивной бетонной стяжки – это достаточно трудоемкая операция, требующая немало времени и сил. Кроме того, такая стяжка становится весьма значительной дополнительной нагрузкой на перекрытия. Некоторые электрические полы также требуют стяжки, но ее толщина будет уже существенно меньше. А кроме того, многие нагревательные электросистемы позволяют и вовсе обходиться без заливки стяжки.
 - Монтаж трубных контуров – несопоставимо сложнее, чем раскладка нагревательных кабелей или матов.
 - Электрический подогрев полов не требует сложного и громоздкого коллекторно-смесительного оборудования. Все ограничивается компактным блоком управления, который, кстати, открывает возможности намного более точной регулировки режимов работы.
 

Даже по своим габаритам «группы управления» водяным и электрическим «теплыми полами» — абсолютно не сопоставимы. Не говоря уже о простоте их монтажа и эксплуатации …
- Что особо важно для жителей квартир – создание системы электрического «теплого пола» является вполне выполнимой инициативой любого владельца, без необходимости прохождения утомительных процедур согласования и получения разрешения. Единственное условие – это оставаться в границах выделенного лимита мощности потребления (на дом или квартиру положено до 15 кВт) – но выйти за эти рамки сложно даже теоретически.
 
Электроэнергия, правда, является наиболее дорогой, но при разумном подходе, качественной термоизоляции и грамотно отрегулированной системе подогрева полов вполне можно достичь высоких показателей экономии.

Разница в распределении температур в помещении при использовании «теплого пола» и обычного радиаторного отопления
Получаемый в итоге пол с подогревом будет способствовать наиболее оптимальному распределению тепла в помещении – с максимальной температурой внизу и ее постепенным снижением по мере увеличения расстояния от пола. Кроме того, керамическая плитка, получая «тепловой заряд», имеет свойство его накапливать и постепенно передавать воздуху, что также способствует плавной, наиболее экономичной работе системы, минимизации количества ее включений.
Монтаж теплого пола электрического. Монтаж инфракрасного электрического теплого пола
Инфракрасный (пленочный) теплый пол монтируется с некоторыми отличиями от своего кабельного «собрата». Следуйте инструкции.

Монтаж инфракрасного электрического теплого пола

Электрический инфракрасный теплый пол

Принципиальная схема подключения ИПО
Составляем схему укладки
Первый шаг. Выбираем место установки терморегулятора. Его монтаж рекомендуется выполнять с 15-сантиметровым отступом от поверхности пола.

Монтаж скрытого терморегулятора теплого пола

Монтаж скрытого терморегулятора теплого пола
Второй шаг. Составляем схему укладки системы обогрева.
Важно: пленку нельзя размещать под крупными бытовыми приборами, мебелью и прочими тяжелыми вещами.
При составлении схемы учитывайте следующие важные нюансы:
- первый ряд пленки должен быть уложен с отступом не менее 100 мм и не более 400 мм от стен;
 - если теплый пол будет применяться в качестве основной системы обогрева, он должен занимать как минимум 70-75% суммарной площади поверхности;
 - если инфракрасная пленка укладывается в качестве дополнения к имеющемуся обогреву, достаточно, чтобы она занимала порядка 40-50% площади основания.
 
Укладываем и подключаем систему
Первый шаг. Раскладываем инфракрасную пленку поверх теплоизоляции. Придерживайтесь составленной схемы. При необходимости пленку можно резать по заводским линиям.

Раскладываем инфракрасную пленку поверх теплоизоляции

Резка матов
Укладку элементов выполняйте медными частями контактов вниз по направлению к стене с терморегулятором
Второй шаг. Подключаем контактные зажимы к краю медной полоски и подсоединяем провода.
Конструкция инфракрасного теплого пола

Подключение инфракрасного теплого пола
Третий шаг. Изолируем места разрезов инфракрасной пленки и соединений зажимов и кабелей. Для изоляции хорошо подходит специальная битумная мастика.

Подключение инфракрасного теплого пола
Важно: чем длиннее нагревательные полотнища, тем меньше должно быть контактов. Помните: полоса не может быть длиннее 8 м.
Часть зажимов устанавливайте на токонесущую поверхность. Оставшиеся располагайте внутри нагревательной пленки.
Кабельный теплый пол под плитку. Какой лучше выбрать электрический теплый пол под плитку
Электрические тёплые полы делятся на две большие группы: кабельные и инфракрасные. У кабельных полов нагревательным элементом является кабель, а у инфракрасных – композитные стержни или плёнка с нанесёнными на неё токопроводящими углеродными полосами. Кабельные полы поставляются либо в виде собственно кабеля, либо нагревательного мата. Нагревательный мат представляет собой кабель, прикреплённый с определённым шагом к основе. Основой, как правило, является сетка из стекловолокна, либо фольга. Перед покупкой нужно уточнять у производителя или продавца, с каким покрытием сочетается тот или иной продукт. Для плитки применяют оба варианта кабельных полов (кроме фольгированных, так как их монтаж не подразумевает прочного сцепления плит, клея и основания), а также стержневые. Инфракрасный плёночный используется с плиткой довольно редко.
Решения для каждого дома и любого бюджета
Электрические тёплые полы – универсальное средство для обогрева жилых помещений, их разрешается подключать к существующим системам проводок в многоквартирных домах
Выбрать
Теплые полы «Теплолюкс»
Нагревательный кабель. Это идеальный вариант, если ремонт помещения начинается с нуля, либо запланирован капитальный ремонт. Чтобы смонтировать такой теплый пол, нужно выполнить стяжку и уложить кабель в слой раствора толщиной 3-5 см. Преимущество кабеля заключается в том, что шагом укладки можно корректировать общую мощность обогрева. Например, для ванной комнаты, где высокая влажность, можно уложить кабель плотнее и тем самым усилить обогрев, а для небольшой комнаты без балкона, наоборот, сделать шаг шире и снизить мощность. Рекомендуемая мощность для жилых комнат при наличии основного источника тепла – от 120 Вт/м2. Для ванных комнат или холодных помещений – 150-180 Вт/м2. Рекомендуем рассматривать двухжильные кабели из-за относительной простоты укладки по сравнению с одножильными.
Нагревательные маты укладывают в тонкий слой (5-8 мм) плиточного клея. Таким образом, монтаж мата проще, чем монтаж кабеля, а главное – он почти не увеличивает высоту напольного покрытия. Если требуется уложить мат под углом или подогнать по форме площади, его можно разрезать, не затрагивая кабель. Оптимальная мощность мата – 150-180 ватт на 1 м2: это обеспечит равномерный и быстрый прогрев помещения.
Стержневой пол. Нагревательными элементами являются стержни из композитных материалов (наиболее распространены стержни на основе карбона), прикреплённые к мату с определённым шагом. Производители таких полов утверждают, что они весьма экономичны, так как прекращают потребление электричества, когда стержни нагреваются до определённой температуры. Монтируют стержневой пол как в стяжку, так и в плиточный клей.
Теплый пол под плитку с терморегулятором. Виды электрического теплого пола
Планируя укладку теплого пола под плитку, надо иметь представление о разновидностях и особенностях конструкции электрических систем обогрева.
Всего существует два вида:
Первый вид — это нагреватель, выделяющий тепловую энергию за счет сопротивления проходящему через него электрическому тону. Это принцип работы всех ТЭНов, спиралей электроплиток и т. п. Второй вид — это набор карбоновых излучателей, ламинированных в два слоя лавсановой пленки. Они испускают инфракрасные лучи, нагревающие предметы. Сама пленка не греется.
Под укладку плитки выбирают только резистивный кабель. Он хорошо укладывается в стяжку и демонстрирует эффективную работу без потерь тепловой энергии. Однако, пленочный теплый пол под плитку не укладывают. В сети очень много рекомендаций о монтаже пленочного инфракрасного пола в стяжку, но все они, по сути, переписаны с одного ошибочного источника.
Инфракрасная пленка рассчитана на работу под напольными покрытиями, не плотно прилегающими к ней — ламинат, линолеум, ковролин. Если на пленку залить стяжку, теплый пол быстро выйдет из строя из-за перегрева. Этот момент надо учесть еще на стадии выбора и проектирования.

собственно кабель (отрезок определенной длины, который укладывают в выбранном порядке)

кабельные маты (рулоны из стеклосетки, на которой в зигзагообразной форме уже установлен резистивный кабель)
Первый вариант требует более сложной укладки, поэтому, его используют для монтажа в комнатах определенной величины, где рулонный греющий мат класть невозможно. в других случаях обычно выбирают нагревательные маты — они проще в работе. Надо лишь подготовить поверхность и просто расстелить их по длине, подключить к блоку управления и залить в стяжку.
Водяной теплый пол под плитку своими руками. Преимущества и недостатки плиточного теплого пола
Небольшая ванная комната, кухня или целый банный комплекс, все эти объекты могут успешно отапливаться водяными теплыми полами. Такой монтаж возможен при соблюдении некоторых условий. На руках имеется готовый проект отопительной системы, в соответствии с которым укладываются петли отопительного контура, подобрано обслуживающее оборудование. Тепловые расчеты позволят определиться с мощностью нагревательного прибора, сделать правильно схему укладки водяных труб.
Что вам ожидать в итоге? Напомним, какими достоинствами обладает теплые полы, покрытые сверху кафелем или другим керамическим материалом. К примеру:
- Подогреваемый пол создает внутри помещения комфортную температуру.
 - Поверхность пола быстро сохнет, оставаясь теплой и сухой в процессе эксплуатации помещения.
 - Укладка теплого пола под плитку не требует дополнительных финансовых затрат.
 - Теплые полы в ванной комнате можно использовать в комбинации с традиционным, радиаторным отоплением.
 - Плиточный пол с подогревом совершенно не подвержен образованию плесени и вредных для человека болезнетворных микроорганизмов.
 - Плиточный пол с водяным подогревом в любое время будет теплым, приятным на ощупь.
 - Соответствие теплого плиточного пола в банях и в саунах необходимым санитарным нормам и стандартам.
 
Зная о таких достоинствах, вам непременно захочется сделать тёплый пол своими руками, уложив водяной контур под плитку. С технической точки зрения этот процесс не представляет особой сложности. Единственное условие – строгое соблюдение технологии укладки. Конструкция водяного пола требует строгого соблюдения последовательности всех этапов монтажа.
Важно! Следует помнить, что кафельная плитка значительно увеличивает прочность всей конструкции. В дополнение к бетонному монолиту, добавляется еще цельное керамическое покрытие. В случае возникновения аварийных ситуаций, без знания точного расположения водяного контура, вам придется срывать довольно крупный фрагмент и плитки и бетонной стяжки.
Для оборудования водяных полов в деревянных строениях, следует правильно выполнить укладку настильной конструкции, не забывая о дополнительных листах фанеры, ГВЛ или ДСП. Без дополнительной жесткости кафельный пол будет играть, что обязательно скажется на целостности керамической поверхности.
Электрический теплый пол под плитку монтаж. Электрический теплый пол под плитку: укладка и монтаж своими руками
Теплый пол – одно из несомненных достоинств и для квартиры, и для частного дома. Одна проблема – обычно пол теплом не радует, особенно бетонный. Конечно, напольное покрытие может смягчить неприятное впечатление, сгладить холодность пола. Но более рациональный вариант – устроить водяной или электрический «теплый пол» под плитку или ламинат. Это все виды обогрева горизонтальной поверхности (пола), основанные на использование токопроводящих элементов. Тепло при такой схеме обогрева воздуха поднимается снизу, от всей поверхности, на которой расположены нагревательные элементы. Выделяют три основных вида электрического теплого пола: Кроме этих популярных вариантов, на рынке представлены также жидкостно-электрические полы – относительная новинка, трубы с проложенным внутри кабелем. Теплопроводящая жидкость в трубах и сама оболочка труб защищают кабель от повреждений, при этом нагрев обеспечивается достаточный для полноценного отопления. Данная система дает равномерный нагрев всей трубы без движения жидкости, не требует дополнительного насосного оборудования. Монтаж ведется обязательно в стяжку. Официальное  Также есть разновидность полов, основанных на системе матов, но с использованием не кабеля, а нагревающихся стержней из карбона (угольные). Монтируются аналогично, но потребляют меньше энергии, чем кабельные системы. Также видео от поставщика продукции. Интересное решение для обогрева только небольшой части пола или частых переездов – пленочный пол «под ковер». Это пленочная система с отдельным выводом питающего кабеля для подключения к электросети. Основное условие – поверх пленки должно обязательно лежать плотное и при этом хорошо пропускающее тепло покрытие, которое легко удалить. Обычно такие пленки стелют под ковер или ковролин. Обзор такого нагревателя можно посмотреть на видео. В первую очередь необходимо определить, какие именно функции планируются для электрического «теплого пола» — будет ли он основным источником нагрева воздуха или только вспомогательным. В любом случае проверяется количество тепла, которое может излучать данная система при данных условиях монтажа. Указанные в таблице показатели – это итоговое тепловое излучение, уже прошедшее монтажный слой (стяжку, клей) и слой напольного покрытия. При этом следует учитывать, что разные материалы покрытия по-разному пропускают тепло. Кроме того, некоторые (паркет, массив дерева) плохо воспринимают нагрев свыше 26…28 градусов Цельсия. Представить себе картину в целом поможет иллюстрация ниже. Если же брать в цифрах, то для расчета удобно использовать не стандартные данные о сопротивлении теплопередаче, а коэффициент теплопроводности материала. Как видно из таблицы, только при укладке керамической или каменной плитки можно не беспокоиться о потере мощности. Соответственно, при расчете данные о тепловом излучении нагревательной системы можно брать «как есть». Если же речь идет о ламинате, ковровом покрытии и паркетной доске (именно паркетной доске, а не паркете!), следует учитывать: до потребителя дойдет только десятая доля излучаемого кабелем, матом или пленкой тепла. Планируется уложить пленочный пол под ламинат в спальне как дополнительное отопление. Требуемая мощность излучения – 120 Вт/м.кв. Стяжки нет, теплоизоляция чернового пола достаточная, ламинат используется специальный «под теплый пол» с коэффициентом теплопроводности 0,15 (обычный ламинат имеет коэффициент 0,1, см. таблицу выше). Планируется использовать пленочный пол Caleo GOLD с мощностью 170 Вт/м.кв. Учитывая коэффициент 0,15 для ламината, в помещение будет проникать 170х0,15=25,5 Вт с каждого квадратного метра. Согласно стандартам, основное отопление на один квадратный метр должно давать около 100 Вт. Что называется электрическим теплым полом 
 Расчет и выбор покрытия: теплый пол для ванной, комнаты, лоджии или балкона 
 Пример 
Электрический теплый пол под плитку толщина. Рекомендации
Во время проведения работ по заливке раствора для стяжки теплого электрического пола следует придерживаться определенных рекомендаций, которые позволят не только качественно произвести укладку теплого пола под стяжку, но и выбрать минимальную толщину стяжки.
Многое будет зависеть от мощности нагревательных элементов системы отопления в помещении. Чем она будет больше, чем толще придется создать слой заливки раствором:
- 80-120 Вт/м2– слой стяжки составит до 20 мм.
 - 100-140 Вт/м2– 30-50 мм.
 - 160-200 Вт/м2– 60-100 мм.

Толщина “пирога” теплого пола
 
Когда выполняется электрический теплый пол толщина стяжки должна соблюдаться в зависимости от конкретных условий исполнения и параметров помещения.
Но при этом обращается внимание на то, что от толщины слоя заливки будет зависеть и время, в течение которого основание пола будет полностью прогрето. Так что не всегда очень выгодно создать толстый слой из подготовленного раствора. В таком случае будет затрачено большое количество электроэнергии на прогрев помещения.
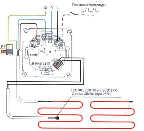
До заливки электрического теплого пола следует несколько раз проверить правильность установки нагревательных элементов, а также проведения проводки и подключения всех компонентов. В последующем для устранения неисправности придется производить демонтаж стяжки. Вся проводка и электрические приборы должны быть заизолированы. Это также относится и помещенного в гофрированную трубу датчика температуры.
Если правильно расположить термодатчик, то при его выходе из строя не придется разбивать стяжку для извлечения. Он просто будет вынут из гофрированной трубы и заменен на аналогичный. Стоит отметить, что терморегулятор не может устанавливаться в том помещении, где имеется постоянно высокий уровень влажности.
Заливать кабельный пол можно и клеевым раствором. Но это предусмотрено только в том случае, если в качестве напольного покрытия используется плитка или керамогранит.
Электрический теплый пол под плитку без стяжки. Технология монтажа тёплого пола без стяжки
Тёплый пол без стяжки рекомендован для помещения, где заливка бетонной стяжки не возможна. Такие полы монтируются в домах имеющих деревянные перегородки (так как они могут не выдержать тяжести раствора), или при наличии не высоких потолков (толстый слой стяжки сделает их ещё ниже).
Основные плюсы данных тёплых полов — лёгкость, быстрая установка, и то, что они не забирают высоту полезной площади. Кроме того, обходятся такие полы без заливки бетоном дешевле.

К сведению! Преимущество данной конструкции — высота пирога всего 50 мм, в отличие от бетонной стяжки, у которой минимальная высота 80 мм.
Варианты настильной системы
Соорудить тёплые полы без заливки стяжки можно двумя способами. Каждый вариант обладает как положительными сторонами, так и отрицательными.
Но есть и общая особенность в этих системах — простота не только монтажа, но и демонтажа. А также, плохая переносимость влаги, поэтому обязательное условие — слой гидроизоляции.
Полистирольные плиты
Полистирол называют ещё пенопластом, он хорошо держит тепло, имеет высокий уровень звукоизоляции, не поддаётся гниению. Плиты состоят из ламелей — это специальные теплораспределительные элементы, они бывают алюминиевыми или оцинкованными. Стандартная толщина плит из полистирола под тёплые полы без стяжки — 30 мм. Они выпускаются в виде:
- плит с пазами, куда размещаются нагревательные элементы;
 - гладких матов.
 

Легче производить укладку тёплого пола на маты имеющие бобышки, между ними прокладываются трубы или кабель. Маты укладываются как на пол из бетона, так и на деревянный.
Деревянный пол
Деревянные конструкции рекомендованы для установки в домах, имеющих перекрытия в виде деревянных балок, они укладываются на любую основу. Бывают:
- Модульными — их продают в готовом для сборки виде, они имеют специальные пазы, куда производится закладка нагревательных элементов.
 - Реечными — возможно изготовить своими руками из МДФ или ДСП. Дощечки должны иметь толщину минимум 2 см, ширину — 130 мм, и допустимую влажность не более 10%.
 
Как и полистирольная, деревянная система отлично выдерживает скачки температуры, обладает высокой звуко- и теплоизоляцией.
Однако тёплые полы без заливки имеют и недостатки:
- меньший уровень теплоотдачи и надёжности, чем при системе с бетонной стяжкой;
 - конструкция менее жёсткая, в ней неизбежно есть пустоты, а это со временем приведет к образованию трещин, зазоров, и как следствие скрипу при ходьбе.
 
Особенно эти моменты проявляются при обустройстве конструкции в квартирах с деревянными покрытиями. Конечно, эти неполадки можно легко устранить, но на это понадобится как время, так и силы. Поэтому, рекомендовано устанавливать только там, где другие модели не подходят.
Этапы укладки водяного теплого пола без стяжки
Стоит отметить, что установка водяных систем без стяжки сопровождается меньшей пылью и грязью. Помимо этого, плюс тёплых полов без стяжки —, ламинат, и любое другое покрытие, не ожидая пока подсохнет бетон.
Материал для укладки
Перед установкой водяного пола без стяжки, требуется приобрести напольное покрытие (плитку, ламинат), и весь материал для конструкции.
Главная функция данного сооружения отводится трубам, которые бывают медные, из сшитого полиэтилена и пропилена, или металлопластика. Чаще укладываются изделия из полиэтилена, так как они стоят не дорого, долговечные, не боятся воздействия агрессивных сред, и процесс их монтажа несложен.
Теплоносителем здесь может служить как вода, так и различные антифризы. В продажу трубы поступают в смотанном состоянии, в бухтах. Петли с бабинов запрещено снимать до момента укладки изделия, так как могут образоваться заломы. Разматывается материал постепенно при монтаже.
