Как сделать утеплённый пол. Алгоритм утепления бетонного пола
- Как сделать утеплённый пол. Алгоритм утепления бетонного пола
- Как сделать теплый пол электрический. Монтаж инфракрасного электрического теплого пола
- Как сделать теплый пол в частном доме. Теплый пол в частном доме: инструкция по обустройству
- Теплый пол от отопления. Теплые водяные полы в частном доме – инструкция, как сделать своими руками
- Как сделать теплый пол под ламинат. Рассмотрим преимущества и недостатки
- Электрический теплый пол. Укладка водяного теплого пола
- Как сделать теплый пол электрический под плитку. Почему именно электрический?
Как сделать утеплённый пол. Алгоритм утепления бетонного пола
Если в помещении пол бетонный, то нужно придерживаться определенного алгоритма выполнения работ. Сперва нужно удостовериться, что комнате хватает высоты и она не станет критично низкой, если утеплитель "съест" несколько сантиметров.
Порядок утепления бетонного пола следующий:
- Постелить гидроизоляционную мембрану на полностью очищенную поверхность.
- Монтаж решетки из брусков толщиной, равной слою утеплителя.
- Укладка утеплителя в ячейки из брусков.
- Монтаж пароизоляционного слоя.
- Укладка первоначального пола (черновой вариант). Можно для этого использовать фанеру, ДСП, ДВП или доски.
- Монтаж напольного покрытия.
В качестве пароизоляционного слоя может выступать материал на базе фольги или плотный полиэтилен.
Если утеплить пол нужно быстрее и так, чтобы затратить меньше материалов, то нужно выбрать другой метод. Он предполагает использование гибсоволокнистых листов. Технология будет состоять из таких этапов:
- Устранение старого напольного покрытия.
- Выравнивание поверхности и устранение трещин, изъянов и т.д.
- Укладка теплоизоляционной мембраны.
- Монтаж гипсоволокнистых листов в несколько слоев так, чтобы стыки не совпадали.
- Шпатлевка и грунтовка листов.
- Монтаж напольного покрытия.
Вариантом, который находится вне конкуренции, является монтаж электрического теплого пола. С ним будет тепло не только ногам, но и нормализуется температура воздуха в комнате. Дело в том, что радиаторы обогревают много "лишнего" воздуха, когда тепло уходит вверх. Теплый же пол рационально обогревает комнату, экономно расходуя электричество.
Этапы установки такой системы следующие:
- подготовка основания;
- укладка утеплителя;
- слой алюминиевой фольги;
Простым вариантом утепления бетонного пола является применение изолона. Этот материал имеет губчатую структуру и легко поддается монтажу. Достаточно просто подготовить место, расстелить полотно и закрепить его стыки скотчем. После можно приступать к монтажу напольных элементов.
Как сделать теплый пол электрический. Монтаж инфракрасного электрического теплого пола
Инфракрасный (пленочный) теплый пол монтируется с некоторыми отличиями от своего кабельного «собрата». Следуйте инструкции.

Монтаж инфракрасного электрического теплого пола

Электрический инфракрасный теплый пол

Принципиальная схема подключения ИПО
Составляем схему укладки
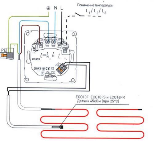
Первый шаг. Выбираем место установки терморегулятора. Его монтаж рекомендуется выполнять с 15-сантиметровым отступом от поверхности пола.

Монтаж скрытого терморегулятора теплого пола

Монтаж скрытого терморегулятора теплого пола
Второй шаг. Составляем схему укладки системы обогрева.
Важно: пленку нельзя размещать под крупными бытовыми приборами, мебелью и прочими тяжелыми вещами.
При составлении схемы учитывайте следующие важные нюансы:
- первый ряд пленки должен быть уложен с отступом не менее 100 мм и не более 400 мм от стен;
- если теплый пол будет применяться в качестве основной системы обогрева, он должен занимать как минимум 70-75% суммарной площади поверхности;
- если инфракрасная пленка укладывается в качестве дополнения к имеющемуся обогреву, достаточно, чтобы она занимала порядка 40-50% площади основания.
Укладываем и подключаем систему
Первый шаг. Раскладываем инфракрасную пленку поверх теплоизоляции. Придерживайтесь составленной схемы. При необходимости пленку можно резать по заводским линиям.

Раскладываем инфракрасную пленку поверх теплоизоляции

Резка матов
Укладку элементов выполняйте медными частями контактов вниз по направлению к стене с терморегулятором
Второй шаг. Подключаем контактные зажимы к краю медной полоски и подсоединяем провода.
Конструкция инфракрасного теплого пола

Подключение инфракрасного теплого пола
Третий шаг. Изолируем места разрезов инфракрасной пленки и соединений зажимов и кабелей. Для изоляции хорошо подходит специальная битумная мастика.

Подключение инфракрасного теплого пола
Важно: чем длиннее нагревательные полотнища, тем меньше должно быть контактов. Помните: полоса не может быть длиннее 8 м.
Часть зажимов устанавливайте на токонесущую поверхность. Оставшиеся располагайте внутри нагревательной пленки.
Как сделать теплый пол в частном доме. Теплый пол в частном доме: инструкция по обустройству
Теплый пол в частном доме – система, позволяющая поддерживать уют в помещении. Популярно использовать отопление в домах, где есть маленькие дети, только научившиеся ползать или ходить. В частном доме такая конструкция – незаменима, так как в отличие от квартиры, земля под фундаментом охлаждается быстро. Возможно ли сделать теплый пол у себя дома своими руками? — сделать это легко, следуя инструкции.
Схематическое изображение слоев водяного пола
Особенности: плюсы и минусы
Особенности теплых полов с обогревом, положительные стороны:
- Создают уют и повышает температуру помещения;
- Подходят под различные виды напольных покрытий;
- Незаменимы для частных домов;
- Возможно установить своими руками;
- Можно использовать под любой источник энергии;
- Отсутствие циркуляции пыли, если полы не электрические, то отсутствуют электромагнитные поля, не вредят здоровью;
- Экономия средств. Равномерное распределение тепла по помещению, контролирование одинаковой температуры.
Негативные стороны:
- Невозможность создать большую территорию теплого пола;
- Невозможность резкого изменения температуры покрытия;
- Зависимость от подачи электроэнергии, в случае отключения электричества, система перестает работать, в случае электрического пола;
- Отсутствие циркуляции воздуха, плюс запотевание окон под потолком.
Частный дом порой сложно утеплять, поэтому помимо отопления, исходящего от батарей, необходимо утеплять стены и пол различными способами. Различные виды теплых полов подойдут для всех типов помещений и при любом интерьере.
Разновидности по типу нагревательных элементов:
- Кабельные,
- Термоматы,
- Пленочные,
- Инфракрасная пленка,
- Водяные, о которых пойдет дальше речь.
3D Схема
Монтажные схемы
Монтажные схемы показывают систему, как подключается водяной теплый пол и распределяется по помещению. Ниже будут представлены несколько классических схем:
- Соединение напрямую через котел. Система теплого пола начинается от котла, через распределительный коллектор по петлям, а затем поступает обратно в котел, который должен быть установлен на желаемую температуру. Для данной схемы больше подходит конденсационный котел.
- Вместо котла соединение происходит с трехходовым клапаном. При данной схеме возникает комбинация нескольких систем. Во-первых, существует радиаторы отопления, которые нагреваются до температур 70-90 градусов, а сама система теплых полов до 40-а. Чтобы уравновесить температуры, применяется трехходовой термостатический клапан. Недостаток такого монтажа в том, что невозможно равномерно изменить температуру покрытия, оно либо холодное, либо горячее. Плюс в том, что данную схему проще всего установить, детали от нее дешевые. Используется редко.
- Соединение с помощью насосно-смесительного узла. Данная деталь позволяет должным образом регулировать температуру.
- Использование радиатора. Легко устанавливается, не очень стабильна, не рекомендуется устанавливаться в жилых зонах.
Теплый пол от отопления. Теплые водяные полы в частном доме – инструкция, как сделать своими руками
Один из важных вопросом, который встаёт при строительстве частного дома — как своими руками правильно сделать систему отопления для комфортного существования.
Сегодня, в загородных домах популярными являются водяные тёплые полы. Несмотря на трудоёмкость процесса при их сооружении и дороговизну, конструкция окупится в течение 5 лет.
Важно! Начиная строить дом, рекомендуется заранее продумать систему отопления.

Проектирование
Особенно выгодным и оптимальным решением считается монтаж водяного контура в коттеджах, имеющих газовые котлы. Данная конструкция менее затратная в плане затрат энергоресурсов и проста в эксплуатации, в результате чего является наиболее эффективной.
Система может работать безупречно лишь при наличии профессионально сделанного проекта и при грамотном монтаже.
Поэтому, прежде чем начать монтаж водяного отопления в каркасном доме или на даче, первым делом нужно подготовить проект. При составлении проекта, следует продумать вид материала, который будет укладываться в «пирог» и толщину каждого слоя.
Кроме того, требуется изготовить план размещения труб. Изобразить схему можно на обычном листке в клеточку, где каждая клетка будет шагом укладки контура.
Шаг зависит от климатических особенностей региона. В местах с умеренными климатическими условиями:
- при хорошей теплоизоляции в доме — шаг 20 см;
- при отсутствии качественного утепления стен из кирпича, бетона или дерева — 10 см;
- в больших помещения, при наличии тёплых и холодных стен — шаг делается различный, у тёплых стен — он больше, у холодных — меньше.
Устройство тёплого пола
«Пирог» тёплого водяного пола — многослойная конструкция с жидким теплоносителем внутри. Основной элемент тёплого пола — труба из металла или полимера, по которой осуществляется циркуляция воды или антифриза. Каждый слой имеет свое предназначение, и играет важную роль для эффективного функционирования всей системы в целом. Поэтому, при сооружении следует соблюдать четкую последовательность.
«Пирог» водяного пола выглядит следующим образом:
- основание — из дерева или бетонной плиты;
- гидроизоляция — полиэтиленовая плёнка (0,1 мм);
- теплоизоляция — пенополистирольные плиты, или другой утеплитель с плотностью 40 кг/м³ и толщиной от 300 мм;
- водяной контур — трубопровод;
- арматурная сетка — обеспечивает плотность стяжки, допустимая толщина прутьев 3 — 5 мм;
- бетонная стяжка — раствор из бетона и цемента с пластификаторами;
- финишное покрытие — любой материал совместимый с греющими полами.

В общей сложности, толщина данной конструкции в частном доме может составлять от 7 до 15 см. Контур водяного пола подсоединяется к коллекторному узлу.
Водяные конструкции бывают:
- Тяжёлыми (мокрыми) — один из наиболее распространённых вариантов. Важная роль тут отводится черновому основанию, на него кладётся гидро- и теплоизоляция, трубы и армирующая сетка, и все заливается бетонным раствором. Данный способ рекомендован для кирпичных коттеджей имеющих бетонные перекрытия, которые способны выдержать тяжесть стяжки.
Важно! Слой бетона под контуром не должен быть меньше 3 см.

- Лёгкими — основой под трубами являются пенополистирольные плиты. Они укладываются на черновой пол и на них монтируется водяной контур. Так как плиты оснащены бобышками, с помощью которых фиксируются трубы, то не требуется их дополнительное крепление. Сверху укладываются теплопластины, на которые стелется напольное покрытие.
К сведению! Данный вариант подходит для частных домов с деревянными перекрытиями, которые не способны выдержать тяжёлую конструкцию.

- По деревянным рейкам — то есть основой будут служить дерево, к которому монтируются нагревательные элементы. Эта конструкция закрывается гипсоволокном и финишным покрытием. Но данный метод не надёжен, поэтому рекомендован для укладки в крайнем случае.

Способы укладки контура
Существует три основные способа укладки контура в частном доме своими руками, но все они имеют один общий момент — трубы монтируются от стен по направлению к центру:
- «Улитка» — укладка контура производится по спирали от стен к центру, и обратно. При этом, конструкция сужается к центру помещения. При составлении схемы следует помнить что нужно оставлять место между трубами, для их возвращения к питающему источнику. При помощи данной схемы обогрев напольного покрытия получается равномерный, при этом снижается уровень гидравлического сопротивления. Количество трубного материала при такой укладке меньше, чем при других способах. Основной недостаток — сложный монтаж.

- «Змейка» — трубы размещаются вдоль стен в виде петель. Вариант лёгкий, но при нём не возможно добиться равномерного прогрева полов, так как температура при входе и выходе существенно различается.

- Комбинированный способ — в нём объединяются обе схемы. Подходит для помещений с холодными стенами. Вдоль стен контур укладывается «змейкой», а по центру «спиралью». Этот способ позволяет сэкономить на трубах и увеличить энергоэффективность устройства.
Как сделать теплый пол под ламинат. Рассмотрим преимущества и недостатки
- В отдаче тепла — обогревается та поверхность пола, где находятся люди: проходы, места отдыха и работы. Не тратится тепло на обогрев мебели снизу, что снижает затраты электроэнергии. Экономичней расходуется сам материал, так как не размещается под мебелью.
- Обходится плёночный тёплый пол не дорого, несмотря на то, что сама цена за комплект плёночного обогрева высока, в отличие от других видов полов. Минимальная стоимость комплектующих 2000 рублей, в них входит: термодатчик, терморегулятор, электрические провода, контакты, скотч. Кроме того, 650 рублей стоит кв. метр плёнки. Но высокая цена материала, перекрывается не дорогой стоимостью монтажа.
- Инфракрасная плёнка не боится минусовых температур, и может работать даже при минус 70 градусах. Система остаётся в рабочем состоянии при длительном нахождении в холодном помещении. Это несомненный плюс при использовании системы в загородных домах и дачах.
- Возможность установки в помещениях любого типа — частные дома, квартиры или офис. Тут отсутствует опасность затопления соседей, как при водяной модели пола. Комнаты по принадлежности могут быть любыми — детская, гостиная, кухня, ванная.
- Простота в монтаже и демонтаже. Для подсоединения элементов не требуется опыта, главное внимательность и аккуратность. При этом укладка пленочного тёплого пола делается быстро.
- Инфракрасное излучение, идущее от карбоновых элементов схоже с солнечным теплом.
- Не нуждается в ремонте. Подключение к электропитанию параллельное, поэтому при выходе из строя одной из полос, система продолжает работать. А при возникновении необходимости замены всей конструкции, она легко демонтируется.
- Равномерное прогревание помещения. Важно — тепло концентрируется внизу, что благоприятно для жизнедеятельности человека.
- Пол тёплый, можно ходить босиком и спускать детей на пол, не опасаясь, что они простынут.
- Инфракрасный тёплый пол служит долго, даже при постоянной эксплуатации, и не требует технического ухода.
- Внутри комнаты отсутствует инвекционное и конвекционное перемещение потоков воздуха, а значит, нет сквозняков, и пыль не поднимается вверх.
Электрический теплый пол. Укладка водяного теплого пола
Если вы выбрали этот вариант, заранее узнайте, что собой представляет такая система. Для наглядности прилагаем примерную схему, работающую от котла. Как строится процесс? Горячая вода посредством насоса поступает в коллектор и затем проходит по трубам, уложенным на пол. Остывая, она идет обратно в котел через выходной узел коллектора.в этой схеме необходим для компенсации избыточного давления в закрытой системе, по которой циркулирует жидкость.
Примерная схема теплого пола в автономной системе отопления

Подготовка основания
Трубы должны укладываться на ровную поверхность, подготовленную специальным образом. Чтобы отдаваемое водой тепло не уходило через пол и стыки на улицу, необходимо позаботиться об изоляции. Сначала рекомендуется сделать гидроизоляцию, уложив по периметру помещения демпфирующую ленту. Все основание полностью можно залить специальным гидроизоляционным составом или устелить пленкой. Сверху укладывается слой теплоизоляции – наиболее распространенными материалами являются пенопласт или минеральная вата.
Создание основы для крепления труб
Трубы будут не просто лежать на полу – их необходимо зафиксировать в том положении, в котором они выкладываются по выбранной схеме (о ней расскажем ниже). Для этого настилается армированная сетка. Размер ячеек может быть, к примеру, 10х10 см. Она кладется не на теплоизоляцию – следует подложить под нее специальные подставки, можно, кстати, сделать их из обрезков гипсокартона, древесины и пр. Получается решетка, на которой будут фиксироваться трубы.
Запомните! Монтаж водяного пола не делают под сантехническими приборами. Для ванной и туалета необходима предварительная разметка, чтобы обойти места установки сантехники. Следовательно, армированную сетку на эти участки тоже не укладывают.
Укладка труб
Для укладки теплого пола используют трубы из металлопластика или сшитого полиэтилена. При планировании системы необходимо учесть, что максимально допустимая длина трубы не должна превышать 100 м. Как показывает практика, такой длины хватает примерно на 20 кв. м. На каждый отдельный участок, например комнату, делается петля, т.е. труба, которая, изгибаясь, идет от коллектора в помещение и возвращается обратно, к коллектору. Она обязательно должна выполняться из цельного отрезка трубы. Расстояние между трубами составляет около 30 – 35 см. Расстояние от трубы до стены должно быть меньше – от 7 до 15 см. Крепление к армированной сетке происходит с помощью хомутов или проволоки.
Как укладывать трубы? Два наиболее распространенных способа представлены в таблице. Схематично показано расположение труб и обозначена температурная разница: красные участки – максимальная температура, синие – минимальная (по мере прохождения по системе вода остывает).
Способы укладки труб водяного теплого пола
| Способ укладки | Описание |
Параллельный | Другое название – «змейка». Трубы укладываются извилистыми линиями, параллельными друг другу. То есть канал тянется от одного конца комнаты в другой, затем возвращается назад. В таком случае участки с уже остывшим теплоносителем будут параллельны тем участкам, где температура воды максимальна. Рекомендуется начинать укладку от так называемых холодных стен, которые являются наружными. Параллельный способ укладки труб выбирают для небольших и средних по площади помещений |
Спиральный | Другое название – «улитка». Укладка труб осуществляется по спирали, при этом подающая и возвратная трубы укладываются параллельно (лучше делать это одновременно). В центре система замкнута, а концы труб уходят к коллектору. Можно назвать такую схему двойной спиралью, так как трубы все равно идут параллельно друг другу, как при змейке. |
Как сделать теплый пол электрический под плитку. Почему именно электрический?
Современные технологии предлагают хозяевам домов или квартир два базовых подхода – это создание системы, завязанной с основной системой отопления, и организация электрического «теплого пола» нескольких типов. В обоих случаях «теплый пол» под плиткой может рассматриваться либо как основной источник тепловой энергии в данном помещении, либо только в качестве эффективного средства повышения комфортности.
На первый взгляд, оптимальным решением становится водяной подогрев – как более экономичный в плане энергозатрат. Возможно, такое мнение еще и подпитывается «надеждами», что трубные контуры достаточно подключить к стоякам центральной или автономной системы отопления – и все заработает. Увы, не все так просто – предстоят весьма масштабные работы, которые могут усложниться еще и административными проблемами по получению разрешения на создание подобной системы отопления.
Теплый водяной пол от отопления – весьма проблемная задача!
Использовать центральное отопление в качестве источника энергии для создания водяного «теплого пола» – сложная, а порой даже и совершенно невыполнимая задача. С какими проблемами предстоит столкнуться желающему сделать теплый пол от отопления , и каковы возможные пути их решения – читайте в специальной публикации нашего портала.
По многим позициям электрические «теплые полы» выглядят значительно привлекательнее водяных:
- Водяные контуры, даже самого высокого качества и безупречной сборки – это все равно определённый риск появления протечек теплоносителя. В электрических полах, понятно, что такое даже не рассматривается.
- Большинство технологий укладки водяного «теплого пола» требует массивной бетонной стяжки – это достаточно трудоемкая операция, требующая немало времени и сил. Кроме того, такая стяжка становится весьма значительной дополнительной нагрузкой на перекрытия. Некоторые электрические полы также требуют стяжки, но ее толщина будет уже существенно меньше. А кроме того, многие нагревательные электросистемы позволяют и вовсе обходиться без заливки стяжки.
- Монтаж трубных контуров – несопоставимо сложнее, чем раскладка нагревательных кабелей или матов.
- Электрический подогрев полов не требует сложного и громоздкого коллекторно-смесительного оборудования. Все ограничивается компактным блоком управления, который, кстати, открывает возможности намного более точной регулировки режимов работы.

Даже по своим габаритам «группы управления» водяным и электрическим «теплыми полами» — абсолютно не сопоставимы. Не говоря уже о простоте их монтажа и эксплуатации …
- Что особо важно для жителей квартир – создание системы электрического «теплого пола» является вполне выполнимой инициативой любого владельца, без необходимости прохождения утомительных процедур согласования и получения разрешения. Единственное условие – это оставаться в границах выделенного лимита мощности потребления (на дом или квартиру положено до 15 кВт) – но выйти за эти рамки сложно даже теоретически.
Электроэнергия, правда, является наиболее дорогой, но при разумном подходе, качественной термоизоляции и грамотно отрегулированной системе подогрева полов вполне можно достичь высоких показателей экономии.

Разница в распределении температур в помещении при использовании «теплого пола» и обычного радиаторного отопления
Получаемый в итоге пол с подогревом будет способствовать наиболее оптимальному распределению тепла в помещении – с максимальной температурой внизу и ее постепенным снижением по мере увеличения расстояния от пола. Кроме того, керамическая плитка, получая «тепловой заряд», имеет свойство его накапливать и постепенно передавать воздуху, что также способствует плавной, наиболее экономичной работе системы, минимизации количества ее включений.