Котел длительного горения своими руками. Особенность конструкции
- Котел длительного горения своими руками. Особенность конструкции
- Чертеж твердотопливного котла длительного горения. Как сделать своими руками котел твердотопливный длительного горения: чертежи и схемы
- Котел длительного горения своими руками чертежи. Котел длительного горения своими руками: чертежи изделий и ТОП-11 лучших моделей
- Шахтный котел длительного горения своими руками: чертежи. Котлы шахтного типа
- Котел неделька чертеж. Что такое котел “Неделька”? Как выбирать, устанавливать и эксплуатировать для отопления
- Котел нижнего горения своими руками. Пиролизный котел своими руками
- Котел длительного горения своими руками из газового баллона. Особенности печки длительного горения
- Котел длительного горения на дровах. Виды котлов длительного горения
Котел длительного горения своими руками. Особенность конструкции
Любой котел длительного горения оснащен камерой внушительного размера, куда закладывается топливо. Чем большей камерой оснащен котле, тем большее количество времени будут прогорать дрова.
Сегодня можно встретить две технологии, реализуемые в ТТ котлах длительного горения, которые успешно конкурируют между собой. Это принцип Булерьян и метод Стропува.
Из-за высокой цены Стропува и сложности конструкции, этот метод не так популярен в России. А вот по методу Булерьян народные умельцы с большой самоотдачей конструируют агрегаты для отопления дач и загородных домов.
Схема ТТ котла
Котел по методу Булерьян выглядит следующим образом: металлический корпус, внутри которого находятся две камеры. В нижней камере происходит сжигание топлива, а во второй – сжигание газа, поступающего по трубку из первой камеры.
Дверца для загрузки топлива находится в верхней части корпуса котла, так как вся нижняя часть отведена под большую закладку ресурсов.
В верхней части котла располагается дымовой патрубок, который соединяется с дымоходом. В нижнюю часть встраивается зольная камера, через которую происходит очистка котла.
Следует упомянуть еще про один нюанс. В стандартных печах зольник выполняет роль поддувала, через которое задувается воздух, необходимый для горения. Здесь же зольная камера абсолютно герметична, так как воздух поступает через верхнюю воздушную камеру, играющую роль рекуператора.
Поставку кислорода в котел регулирует заслонка, расположенная вверху воздушной камеры. По мере сгорания дров, топливо постепенно оседает и распределитель опускается. Это обеспечивает беспрерывную подачу кислорода.
Чертеж твердотопливного котла длительного горения. Как сделать своими руками котел твердотопливный длительного горения: чертежи и схемы
Перед тем, как начать изготовление котла, необходимо определиться с его конструкцией. Ее выбор зависит от назначения агрегата. Если он предназначен для отопления небольшого хозяйственного помещения, гаража или дачного домика, то делать в нем водяной контур не обязательно. Обогрев такого помещения будет происходить непосредственно от поверхности котла, путем конвекции воздушных масс в помещении, как от печи. Для большей эффективности можно устроить принудительное обдувание агрегата воздухом при помощи вентилятора. При наличии системы жидкостного отопления в помещении, необходимо предусмотреть устройство в котле контура в виде змеевика из трубы или другой аналогичной конструкции.

Схема подключения твердотопливного котла к системе отопления
Выбор варианта зависит и от типа твердого топлива, которое нужно будет использовать. Для отопления обычными дровами требуется увеличенный объем топки, а для применения мелких топливных гранул можно устроить специальную емкость, из которой гранулированное топливо подается в котел автоматически. Для изготовления котла твердотопливного длительного горения своими руками, чертеж можно взять и универсальный. Он подойдет для любого вида используемого твердого топлива.



Котел длительного горения своими руками чертежи. Котел длительного горения своими руками: чертежи изделий и ТОП-11 лучших моделей
При доскональном и правильном изучении чертежей твердотопливных котлов вполне возможно сделать котел длительного горения своими руками надежным и экономичным.
Твердотопливные котлы уже не одно десятилетие пользуются немалой популярностью, хотя и имеют один существенный минус – они нуждаются в постоянной загрузке топлива (угля, дров и т. д.). Из-за этого недостатка от них нередко отказываются при обустройстве отопительной системы, но от него легко избавиться – сделать котел длительного горения своими руками, функционирующий почти на всех типах(исключительно твердого, разумеется).

Котел длительного горения своими руками

Для растопки котла можно использовать уголь
Как устроен самодельный котел длительного горения
Принцип работы
Схема работы таких котлов основывается на особенноститлеть несколько часов, производя при этом большое количество тепловой энергии. Характерно, что топливо в таком случае сжигается более полно, а количество отходов, как следствие, заметно снижается.

Чертеж котла
Обратите внимание! Замена активного сжигания тлением возможна ввиду особого устройства отопительного котла.
Основным элементом котла является топка, где горение ограничено, а интенсивность подачи воздуха контролируется при помощи специальных приспособлений. Топливо загружается два раза в сутки большими порциями, после чего медленно тлеет (ограниченное количество кислорода не позволяет ему полноценно гореть).
Труба, посредством которой выводится дым, пропускается через теплообменники и нагревает жидкость в отопительной системе. Выходит, достаточно лишь каждые 12 часов загружать топливо для бесперебойного обогрева дома.

Схема котла
Основные преимущества
Котлы длительного горения выделяются на фоне отопительных систем других типов. Конечно, основное преимущество – это именно длительность работы, но есть и другие важные моменты:
- низкая стоимость топлива;
- автономность;
- возможность обогрева больших площадей при минимальных расходах;
- легкость монтажа и эксплуатации;
- безопасность;
- возможность изготовления в домашних условиях.

Виды твердотопливных котлов
Устройство прибора
Для изготовления котла удобнее использовать металлическую трубу ø30 см и больше с толщиной стенок не менее 5 мм (иначе последние в скором времени прогорят из-за высокой температуры внутри прибора). Высота конструкции может колебаться между 80 см и 100 см, все зависит от площади помещения.
Труба для корпуса
Вне зависимости от модификации котел состоит из трех основных зон:
- загрузочной зоны;
- зоны тления и теплообразования
; - зоны окончательного сжигания, где горит зола и выводятся дымные газы.
Обратите внимание! Прибор, который ограничивает загрузочную зону и, соответственно, время тления, называют распределителем воздуха.
Данный элемент выполняется в виде металлического круга толщиной 5-6 мм с отверстием посередине, через которое с помощью телескопической трубы кислород подается в топку. Диаметр изделия должен быть несколько меньше диаметра корпуса. Высота регулируется посредством специальной крыльчатки.

Котел на дровах длительного горения

Котел на дровах длительного горения
Мнение эксперта:
Масальский А.В.
Редактор категории "строительство" на портале Stroyday.ru. Специалист по инженерным системам и водоотведению.
Обычно зона сжигания не превышает 5 см в высоту – если она будет большей, то топливо будет сгорать слишком быстро. К слову, кислородная труба может быть не только телескопической, но и цельной. Ее диаметр обычно составляет 6 см, в то время как размер отверстия в воздушном распределителе не превышает 2 см, дабы не пресыщать зону кислородом.

Котел длительного горения
Воздух может подаваться одним из двух способов:
- прямо из атмосферы;
- из специальной камеры нагрева (она располагается в верхней части конструкции), что обеспечивает более эффективную работу котла.
Для регулировки используется специальная воздушная заслонка.
Сверху приваривается дымоотводная труба. Она должна вестись перпендикулярно корпусу минимум 0,5 м, иначе образуется чрезмерная тяга.
Снизу оборудуется дверка для удаления продуктов горения. Чистку нужно проводить нечасто, ведь топливо будет сгорать полнее.
Существует два способа нагрева теплоносителя, у каждого есть свои сильные и слабые стороны.

Котел длительного горения
Котел длительного горения
Способ №1. К трубе теплообменника, проходящей через зону сгорания, подключается змеевик, посредством которого и происходит нагрев воды в баке.
Способ №2 . Формируется отдельный металлический бак, сквозь который пропускается труба дымохода. Разгоряченный дым подогревает жидкость.
Первый способ более эффективен, но вместе с тем более сложен в выполнении. Второй сделать проще, но он целесообразен только в небольших домах.
Цены на модельный ряд твердотопливных котлов
Твердотопливные котлы
Изготовление котла длительного горения
Котел
Сделать такую конструкцию в домашних условиях несложно, но для этого потребуются навыкии четкая инструкция.
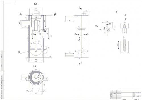
Шахтный котел длительного горения своими руками: чертежи. Котлы шахтного типа
Как уже упоминалось особенностью таких котлов является наличие двух камер: большой вертикальной загрузочной камеры (шахты) и камеры с теплообменником. Топливо поджигается снизу в первой камере и пламя через отверстие попадает в другую, где и отдает свою энергию теплоносителю через теплообменник.
Такие котлы могут быть, как с обычным сжиганием топлива, так и с пиролизным. В первом случае весь необходимый воздух подается через нижнюю дверку, а продукты горения, пройдя через теплообменник, удаляются в дымовую трубу. Во втором случае к месту горения подается ограниченное количество первичного воздуха, где дрова сгорают с выделением пиролизного газа. Кроме того такие конструкции оборудуются дополнительной камерой дожига, куда подается вторичный воздух и осуществляется сжигание газа. В верхней части теплообменной камеры расположена задвижка, которая отрывается при розжиге и позволяющая дымовым газам напрямую выходить в дымовую трубу.

Чертеж-схема котла шахтного типа с камерой дожига
1 — заслонка подачи первичного воздуха; 2 — нижняя дверка для поджига и чистки; 3 — решетка; 4 — дрова; 5 — загрузочная дверка (может располагаться и сверху); 12 — труба с нагретой водой (подача); 13 — пусковая заслонка; 14 — заслонка дымовой трубы; 15 — теплообменник; 16 — подача вторичного воздуха; 17 — камера дожига; 18 — обратка; 19 — слив; 20 — чистка; 21 — заслонка; 22 — колосниковая решетка; 25 — зольник.

Котел неделька чертеж. Что такое котел “Неделька”? Как выбирать, устанавливать и эксплуатировать для отопления
Каждому владельцу загородного дома знакома проблема выбора системы отопления. Желающих отапливать дом с помощью дров очень мало, газ проведен не в каждой местности, а электрическая система отопления может показаться слишком сложной в установке. Удачным вариантом для многих становится отопление углем — например, с помощью котла “Неделька”.
Котел “Неделька”: специфика, механизм работы
“Неделька” представляет собой угольный котел длительного горения — топливо в него насыпается один раз в несколько суток в зависимости от температуры за окном и качества угля. В котле используется принцип верхнего горения: в камеру сгорания через форсунки подается дозированное количество воздуха. Изготовлен котел из российской стали толщиной 5 мм.
Один из нюансов использования котла “Неделька” — его капризность в выборе дымохода. К такому котлу не подходит кирпичный дымоход, но отлично подходит сэндвич. Основные требования к дымоходу — высота 4-6 метров, наличие утепления и ревизионных люков, которые позволяют чистить дымоход во всех направлениях.
Кстати, если вы живете в местности, где бывают проблемы с электричеством, то вместе с котлом стоит купить бесперебойник, который избавит вас от внезапного отключения котла и, соответственно, всей системы отопления.
Бюджет
Котел “Неделька” — один из самых бюджетных котлов длительного горения. Стоимость самой недорогой модели для отопления дома площадью до 250 кв.м. составляет 120 000 рублей. За один отопительный сезон в регионах с холодными зимами расходуется около 3-3,5 т. угля (около 23 000 - 25 000 рублей).
Монтаж котла
Для расположения котла выбирается теплое нежилое помещение площадью более 5 кв.м, в котором у вас будет свободный доступ к котлу с трех сторон. Помещение должно быть изолированным от жилой части дома, чтобы запахи из котельной не проникали в комнаты. Чтобы котел хорошо горел, в котельной должна быть естественная вентиляция. В идеале котел нужно установить на фундамент и исключить его близость к горючим материалам, но если такой возможности нет, то под котлом и перед ним необходимо установить огнезащитную прокладку.
Далее котел монтируется в систему отопления, которая уже установлена в доме. Необходимо тщательно загерметизировать все места соединения котла с отопительной системой и зафиксировать датчик температуры на трубе подачи в систему. Удобнее всего это сделать с помощью термочехла, который уже имеется в комплекте оборудования для котла. Установите контроллер и вентилятор и убедитесь, что заслонка вентилятора поднимается свободно.
После установки необходимо заполнить систему и котел теплоносителем, уложить на колосниковую решетку котла картон или дрова и засыпать уголь в котел. Далее проверьте, чтобы все люки были герметично закрыты, поставьте температуру не ниже 60 градусов и выходите на улицу — проверить, идет ли дым из трубы. Через полчаса откройте отверстие для слива — при первом запуске образуется много конденсата, его необходимо слить.
Какой уголь выбрать?
Котел “Неделька” буквально “всеяден” в отношении угля: в нем хорошо горит не только качественное топливо, но и отсыревший уголь. Рекомендуем не использовать в котле преимущественно крупную фракцию угля, а соединять ее с мелким углем для того, чтобы в камеру поместилось больше топлива и увеличился период автономного горения.
Уголь для использования в котле может быть и таким:
Кстати, в котел “Неделька” можно досыпать уголь в процессе работы, но если вы хотите, чтобы котел прослужил вам долго и обогревал дом максимально качественно, то используйте его по цикличному принципу и ждите, когда все топливо прогорит.
С несколькими способами модернизации котла “Неделька” можно ознакомиться на
Отопление котлом “Неделька” дома в Кемеровской области
Котел приобрели для отопления коттеджа площадью 200 кв.м в селе Кемеровской области, где зимой температура стабильно опускается до -25С. С учетом площади дома и бюджета остановились на модели КО-60 — самой бюджетной в линейке котлов этого производителя. Поскольку было решено сэкономить, то установку и запуск котла произвели самостоятельно — в комплекте была подробное пошаговое руководство, в котором все этапы работы были понятно описаны.
В первые дни эксплуатации котла потратили немало времени на настройку температуры, в результате пришли к выводу, что наиболее комфортно жить в доме при 23-25С. В зимнее время при температуре -20-25С котел бесперебойно отапливает дом в течение 2-3 дней, при потеплении этот срок увеличивается до 5-6 дней. Когда топливо заканчивается, котел необходимо тщательно прочистить и растопить заново, на это обычно уходит от часа до полутора.
Кстати, на период недельного отъезда котел оставили работать и выставили температуру 18С. К концу недели топливо в котле оставалось, а система отопления дома не замерзла. После очистки и растопки в дом быстро нагрелся до комфортной температуры.
Котел нижнего горения своими руками. Пиролизный котел своими руками
Нынешний рынок отопительных приборов поражает своим разнообразием, но, по мнению многих специалистов, самыми эффективными и практичными являются газогенераторные твердотопливные котлы. Они имеют достаточно высокий КПД, в некоторых моделях до 90% и даже выше. Принцип работы твердотопливного газогенераторного котла заключается в использовании «медленного» горения в условиях недостатка кислорода. В результате образуется большое количество горючих газов, которые потом сжигаются во второй камере. В качестве горючего можно использовать дрова, торфяные брикеты, солому, каменный уголь, пеллеты, опилки, а также бытовой мусор.
Пиролизные отопительные котлы пользуются довольно неплохим спросом, однако, стоимость их доступна далеко не каждому. В зависимости от типа конструкции, мощности агрегата и фирмы производителя предложения стартуют от 500€. Поэтому многие народные умельцы пробуют изготовить такой котел самостоятельно.

Пиролизные котлы с верхней и нижней камерой горения пиролизных газов
Несмотря на то, что конструкция пиролизного котла достаточно сложна, сделать это вполне по силам каждому, кто умеет обращаться со сварочным аппаратом и разбирается в чертежах. Прежде чем начинать изготовление стоит уяснить, что все они делятся на агрегаты с верхней или нижней камерой сжигания синтез-газов. Это зависит от способа подачи этих самых газов в камеру вторичного сгорания: когда они, повинуясь законам физики, поднимаются кверху самостоятельно, то это котел с верхней камерой дожига, а если продукты сгорания при помощи принудительного наддува опускаются в нижнюю топку и сгорают там — это конструкция с нижней камерой.
Стоит понимать, что котлы с нижней камерой догорания имеют не только более сложную конструкцию, но и потребуют дополнительных расходов на приобретение вентилятора, обеспечивающего требуемое направление движения газов. Потому быстрее и дешевле сделать котел с верхней пиролизной камерой.
Котел длительного горения своими руками из газового баллона. Особенности печки длительного горения
Первым делом нужно понять, что происходит во время горения дров. Для появления пламени температуру древесины нужно довести примерно до +150 градусов, используя для этого внешний источник нагревания. Обычно для этого хватает зажженного от обычной спички куска бумаги. После этого начинается процесс медленного обугливания материала, которое после достижения отметки +250 градусов переходит в распад на простые химические элементы. В состав дыма белого цвета, который появляется при розжиге пламени, входит газ и водяной пар: их источает нагретая древесина. Воспламенение выделяющихся газообразных компонентов наблюдается при достижении нагревания в +300 градусов: в результате этого термохимическая реакция значительно убыстряется.

Распад органического вещества на простые элементы называется пиролизом. Практика показывает, что во время сгорания древесины часть заложенного в нее энергетического потенциала остается не использованным. Это выражается в значительном количестве отходов, остающихся после угасания пламени. В пиролизных печах топливо используется гораздо эффективнее, что достигается отдельным сжиганием выделяющихся во время горения топлива газов. При этом скорость тления самой древесины очень небольшая, что способствует увеличению продолжительности работы печи на одной закладке. Печь Бубафоня, которая является разновидностью пиролизного обогревателя, гарантирует практически полное сгорание всего топлива.
Котел длительного горения на дровах. Виды котлов длительного горения
Прежде чем рассматривать виды котлов длительного горения, попытаемся понять каков их принцип работы:
- В таких котлах сжигание происходит сверху вниз, поэтому горение идет медленными темпами.
- Отдается больше тепла, а отходов остается меньше.
- Воздух по мере нагревания подается только к очагу с повышенной температурой, при этом он не достигает нижних границ котла.
- Одной закладки топлива хватает от 7 до 32 часов.
Так же котлы можно разделить на:
- Чугунные – они предназначены для сжигания дров либо угля. В этом виде котлов лучше использовать уголь, так как дрова сгорают быстро за 3 часа.
- Пиролизные – имеет две камеры сгорания. В первой части котла можно наблюдать процесс пиролиза и генерацию синтеза газа, во второй части топливо медленно догорает. Топливом для этого типа котлов служит дерево. Лучше использовать древесину твердых пород. Одной закладки хватает до 10 часов.
- Пиллетные — получили название из-за вида топлива. В них для обогрева используют гранулированную или прессованную древесину, которая называется пиллеты. В котле имеется шнек, который сам, когда нужно, подсыпает в камеру горения нужное количество пиллетов. Розжиг в этом типе котлов – автоматический. В эти котлы достаточно засыпать один раз топливо и его хватит на один сезон. Весь процесс работы пиллетного котла полностью автоматический.
- Системы длительного горения – в качестве топлива применяется опилки или дрова, но могут подойти и смеси торфа, угля и древесины. Топлива в этом типе котла хватит от 12 часов до 2-х суток. Эффект создается за счет не горения топлива, а его тления.
