Самодельный котел длительного горения своими руками. Процесс изготовления
- Самодельный котел длительного горения своими руками. Процесс изготовления
- Связанные вопросы и ответы
- Котел неделька чертеж. Котел длительного горения своими руками: чертежи изделий и ТОП-11 лучших моделей
- Котел длительного горения своими руками из газового баллона. Особенности печки длительного горения
- Чертеж твердотопливного котла длительного горения. Описание и принцип действия твердотопливного котла
- Как переделать обычный котел в котел длительного горения. Принцип работы котла продолжительного горения
- Шахтный котел длительного горения своими руками: чертежи. Как сделать своими руками котел твердотопливный длительного горения: чертежи и схемы
- Чертеж твердотопливного котла своими руками. Каков реальный КПД твердотопливных котлов
Самодельный котел длительного горения своими руками. Процесс изготовления
- Берем трубы диаметром 150 и 130 см, вкладываем их одна в другую и соединяем их между собой с помощью кольца из уголка 25х25 мм.
- Из листа металла вырезаем круг Ø 45 см и завариваем днище внутренней трубы. Должна получиться бочка Ø 45 см вокруг которой наварен водогрейный контур шириной в 2,5 см.
- В нижней части «бочки» прорезаем прямоугольное отверстие шириной в 15–16 см и высотой в 8–10 см. Это будет дверца зольника. Ввариваем люк зольника, приделываем дверцу, которую оснастим петлями и задвижкой.

Корпус котла из двух труб

В верхней части корпуса прорезаем дверцу для закладки топлива, привариваем дверцу

Привариваем патрубок дымохода

Привариваем штуцеры для подключения отопительного контура
Теперь приступаем к изготовлению воздушного распределителя.
- Из листа металла вырезаем круг с диаметром на 2–3 см меньше, чем внутренний Ø котла, примерно 42–43 см. В его центре вырезаем отверстие Ø 5,7–6 см (по Ø трубы воздухораспределителя).
- В отверстие вставляем трубу воздухораспределителя соединяем все герметичным швом.


Устройство распределения воздуха
Распределитель воздуха готов. Из листа металла вырезаем круг Ø 50 см, в центре которого прорезаем отверстие Ø 7–8 см. Распределитель воздуха вставляем в котел, верхний конец трубы продеваем в отверстие и наглухо завариваем верхнюю крышку котла. К петле воздухораспределителя прикрепляем тросик при помощи которого через блок распределитель будет подниматься и опускаться.

Котел пиролизный длительного горения в сборе
Все, пиролизный котел длительного горения, изготовленный своими руками готов, можно приступать к испытаниям. Такую же конструкцию, только немного более сложную имеют котлы Стропува или Буран, отзывы о работе которых очень неплохие.
На видео представлен еще один вариант котла с верхней топкой горения пиролизных газов. Тут уже четко видно разделение топок и продемонстрирован даже сам процесс горения.
Связанные вопросы и ответы:
1. Какие материалы мне понадобятся для изготовления самодельного котла длительного горения
Для изготовления самодельного котла длительного горения понадобятся стальные трубы, металлический лист, решетка для топки, труба для дымохода, утеплитель, а также инструменты для сварки и изготовления деталей.
2. Какой принцип работы у самодельного котла длительного горения
Принцип работы самодельного котла длительного горения основан на эффективном сжигании топлива в топке, которое поддерживает постоянную температуру внутри котла и обеспечивает длительное время горения без необходимости частой подачи топлива.
3. Какой объем помещения может обогреть самодельный котел длительного горения
Объем помещения, который может обогреть самодельный котел длительного горения, зависит от конструкции котла, используемого топлива и тепловыделения котла. Обычно такие котлы могут обогреть помещение площадью до нескольких сотен квадратных метров.
4. Какие основные преимущества самодельного котла длительного горения
Основные преимущества самодельного котла длительного горения включают экономию топлива, высокую эффективность горения, возможность самостоятельного изготовления и регулирования теплового режима, а также длительное время работы без необходимости постоянной подачи топлива.
5. Как обеспечить безопасную эксплуатацию самодельного котла длительного горения
Для обеспечения безопасной эксплуатации самодельного котла длительного горения необходимо следить за состоянием всех элементов конструкции, правильно устанавливать котел, обеспечивать надлежащую вентиляцию, не допускать перегрева котла и соблюдать правила хранения и использования топлива.
6. Какие дополнительные аспекты стоит учесть при создании самодельного котла длительного горения
При создании самодельного котла длительного горения стоит учесть правильную изоляцию и утепление котла, возможность его обслуживания и очистки, эффективность горения и энергосберегающие технологии, а также соблюдение всех строительных и экологических стандартов.
Котел неделька чертеж. Котел длительного горения своими руками: чертежи изделий и ТОП-11 лучших моделей
При доскональном и правильном изучении чертежей твердотопливных котлов вполне возможно сделать котел длительного горения своими руками надежным и экономичным.
Твердотопливные котлы уже не одно десятилетие пользуются немалой популярностью, хотя и имеют один существенный минус – они нуждаются в постоянной загрузке топлива (угля, дров и т. д.). Из-за этого недостатка от них нередко отказываются при обустройстве отопительной системы, но от него легко избавиться – сделать котел длительного горения своими руками, функционирующий почти на всех типах топлива (исключительно твердого, разумеется).
Котел длительного горения своими руками Для растопки котла можно использовать уголь
Как устроен самодельный котел длительного горения
Принцип работы
Схема работы таких котлов основывается на особенности твердого топлива тлеть несколько часов, производя при этом большое количество тепловой энергии. Характерно, что топливо в таком случае сжигается более полно, а количество отходов, как следствие, заметно снижается.

Чертеж котла
Обратите внимание! Замена активного сжигания тлением возможна ввиду особого устройства отопительного котла.
Основным элементом котла является топка, где горение ограничено, а интенсивность подачи воздуха контролируется при помощи специальных приспособлений. Топливо загружается два раза в сутки большими порциями, после чего медленно тлеет (ограниченное количество кислорода не позволяет ему полноценно гореть).
Труба, посредством которой выводится дым, пропускается через теплообменники и нагревает жидкость в отопительной системе. Выходит, достаточно лишь каждые 12 часов загружать топливо для бесперебойного обогрева дома.

Схема котла
Основные преимущества
Котлы длительного горения выделяются на фоне отопительных систем других типов. Конечно, основное преимущество – это именно длительность работы, но есть и другие важные моменты:
- низкая стоимость топлива;
- автономность;
- возможность обогрева больших площадей при минимальных расходах;
- легкость монтажа и эксплуатации;
- безопасность;
- возможность изготовления в домашних условиях.
Устройство прибора
Для изготовления котла удобнее использовать металлическую трубу ø30 см и больше с толщиной стенок не менее 5 мм (иначе последние в скором времени прогорят из-за высокой температуры внутри прибора). Высота конструкции может колебаться между 80 см и 100 см, все зависит от площади помещения.
Труба для корпуса
Вне зависимости от модификации котел состоит из трех основных зон:
- загрузочной зоны;
- зоны тления и теплообразования ;
- зоны окончательного сжигания, где горит зола и выводятся дымные газы.
Обратите внимание! Прибор, который ограничивает загрузочную зону и, соответственно, время тления, называют распределителем воздуха.
Данный элемент выполняется в виде металлического круга толщиной 5-6 мм с отверстием посередине, через которое с помощью телескопической трубы кислород подается в топку. Диаметр изделия должен быть несколько меньше диаметра корпуса. Высота регулируется посредством специальной крыльчатки.
Котел на дровах длительного горения Котел на дровах длительного горения
Мнение эксперта:Обычно зона сжигания не превышает 5 см в высоту – если она будет большей, то топливо будет сгорать слишком быстро. К слову, кислородная труба может быть не только телескопической, но и цельной. Ее диаметр обычно составляет 6 см, в то время как размер отверстия в воздушном распределителе не превышает 2 см, дабы не пресыщать зону кислородом.

Котел длительного горения
Воздух может подаваться одним из двух способов:
- прямо из атмосферы;
- из специальной камеры нагрева (она располагается в верхней части конструкции), что обеспечивает более эффективную работу котла.
Для регулировки используется специальная воздушная заслонка.
Сверху приваривается дымоотводная труба. Она должна вестись перпендикулярно корпусу минимум 0,5 м, иначе образуется чрезмерная тяга.
Снизу оборудуется дверка для удаления продуктов горения. Чистку нужно проводить нечасто, ведь топливо будет сгорать полнее.
Существует два способа нагрева теплоносителя, у каждого есть свои сильные и слабые стороны.
Котел длительного горения Котел длительного горения
Способ №1. К трубе теплообменника, проходящей через зону сгорания, подключается змеевик, посредством которого и происходит нагрев воды в баке.
Способ №2 . Формируется отдельный металлический бак, сквозь который пропускается труба дымохода. Разгоряченный дым подогревает жидкость.
Первый способ более эффективен, но вместе с тем более сложен в выполнении. Второй сделать проще, но он целесообразен только в небольших домах.
Цены на модельный ряд твердотопливных котлов
Изготовление котла длительного горения
Сделать такую конструкцию в домашних условиях несложно, но для этого потребуются навыки работы со сварочным аппаратом и четкая инструкция.
Котел длительного горения своими руками из газового баллона. Особенности печки длительного горения
Первым делом нужно понять, что происходит во время горения дров. Для появления пламени температуру древесины нужно довести примерно до +150 градусов, используя для этого внешний источник нагревания. Обычно для этого хватает зажженного от обычной спички куска бумаги. После этого начинается процесс медленного обугливания материала, которое после достижения отметки +250 градусов переходит в распад на простые химические элементы. В состав дыма белого цвета, который появляется при розжиге пламени, входит газ и водяной пар: их источает нагретая древесина. Воспламенение выделяющихся газообразных компонентов наблюдается при достижении нагревания в +300 градусов: в результате этого термохимическая реакция значительно убыстряется.

Распад органического вещества на простые элементы называется пиролизом. Практика показывает, что во время сгорания древесины часть заложенного в нее энергетического потенциала остается не использованным. Это выражается в значительном количестве отходов, остающихся после угасания пламени. В пиролизных печах топливо используется гораздо эффективнее, что достигается отдельным сжиганием выделяющихся во время горения топлива газов. При этом скорость тления самой древесины очень небольшая, что способствует увеличению продолжительности работы печи на одной закладке. Печь Бубафоня, которая является разновидностью пиролизного обогревателя, гарантирует практически полное сгорание всего топлива.
Чертеж твердотопливного котла длительного горения. Описание и принцип действия твердотопливного котла
Общий вид котла
Твердотопливный котёл длительного горения — это большая топка, имеющая ограниченную зону сжигания твёрдого топлива и контролируемое поступление кислорода. Принцип работы устройства основывается на способности твердотопливных элементов тлеть в течение длительного времени с повышенной теплоотдачей. В процессе происходит полное прогорание вещества с минимальным образованием отходов.
Загрузка большого количества твёрдого топлива в топку происходит в среднем 1–2 раза в сутки, однако есть агрегаты, способные функционировать в течение нескольких дней. Путём регулирования притока кислорода в зону сгорания происходит замедленное тление при повышенной температуре. Дым выводится через специальную трубу. Она проходит сквозь теплообменник и прогревает воду для отопительной системы. Своевременная загрузка топки обеспечивает практически непрерывную работу устройства.
Сгорание топлива в котле длительного горения чаще происходит сверху вниз. В этом случае по мере прогорания верхней прослойки огонь перемещается ниже, на следующие слои. Такие тепловые агрегаты имеют множество достоинств, обеспечивающих их популярность среди всех групп населения:
- Увеличенный объём топки для загрузки топлива.
- Длительный срок работы на однократной загрузке.
- Большая теплоотдача.
- Экологичность. При работе отопительный прибор выбрасывает минимальное количество отработанных газов.
Стандартные котлы длительного сгорания различаются по виду используемого топлива:
- Устройства, функционирующие на одной разновидности топлива. Обычно в этом качестве выступают дрова, иногда — паллеты, полученные из отходов деревообрабатывающей промышленности.
- Универсальные агрегаты. Здесь есть возможность комбинировать несколько видов твердотельных элементов — дрова, опилки, паллеты.
По типу работы все существующие виды котлов длительного сгорания можно разделить на две крупные группы:
- Пиролизные. В работе подобных аппаратов используется принцип пиролиза. Твёрдые частицы топлива прогорают при большой температуре и слабой подаче кислорода. В процессе вырабатывается газ, направляемый в отдельный отсек, где и сгорает. Подобный принцип увеличивает КПД котла и время сжигания топлива.
- Классические. Имеют упрощённую конструкцию, различаются объёмом топки, способом сжигания, наличием водяной рубашки-контура и т. д. Простейший классический котёл без рубашки — это металлическая ёмкость, сделанная из трубы или бочки, где происходит сгорание твёрдых частиц по принципу «сверху вниз».
Область использования твердотопливных котлов обширна. Бытовые модели отапливают частные домовладения, магазины и подобные жилые и нежилые объекты. Крупные промышленные агрегаты, для размещения которых требуется отдельное оборудованное помещение, могут отапливать небольшой завод. Популярность котлов обусловлена небольшой стоимостью и простотой эксплуатации.
Как переделать обычный котел в котел длительного горения. Принцип работы котла продолжительного горения
В обычных твердотопливных агрегатах, одной закладки хватает на 6-7 часов горения. Соответственно, если в топку не будет добавлена очередная порция ресурсов, температура в помещении сразу же начнет снижаться. Это происходит из-за того, что основное тепло по помещению циркулирует по принципу свободного движения газа. Нагреваясь от пламени, воздух поднимается вверх и выходит наружу.
Теплового ресурса котла длительного горения хватает примерно на 1-2 суток с одной закладки дров. Некоторые модели могут поддерживать тепло до 7 суток.
За счет чего достигается такая экономичность и эффективность?

Схема работы котла
От обычного котла, ТТ котел длительного горения отличается наличием сразу двух камер сгорания. В первой стандартно сгорает само топливо, а во второй — выделившиеся при этом газы.
Большую роль в этом процессе играет своевременная подача кислорода, которую обеспечивает вентилятор.
Такой принцип был реализован сравнительно недавно. В 2000 году литовская компания Stropuva впервые презентовала эту технологию, которая стразу снискала уважение и популярность.

Самодельный котел длительного горения
Сегодня это является наиболее дешевым и практичным способом обогреть загородный дом, там, где не предусмотрена газификация и случаются перебои с электричеством.
Такие агрегаты работают по принципу горения верхнего топлива. Стандартно во всех печах топка располагается внизу, что позволяет забирать с пола холодный воздух, нагревать его и поднимать вверх.
Принцип работы этого котла в чем-то поход на пиролизный. Основное тепло здесь выделяется не от сгорания твердого топлива, а от выделившихся газов в результате этого процесса.
Сам процесс сгорания происходит в закрытом пространстве. Через телескопическую трубу выделившийся газ поступает во вторую камеру, где происходит его полное сгорание и смешивание с холодным воздухом, который подкачивает вентилятор.

ТТ котел длительного горения (схема)
Это беспрерывный процесс, который происходит до тех пор, пока полностью не прогорит топливо. Температура при таком горении достигается очень высокая – около 1200 градусов.
Как уже говорилось выше, в этом котле реализовано две камеры: основная большая и маленькая. В большую камеру закладывается само топливо. Ее объем может достигать 500 куб.дм.
Ресурсом для горения может выступать любое твердое топливо: опилки, угли, дрова, паллеты.
Постоянный приток воздуха осуществляет встроенный вентилятор. Преимуществом этого метода заключается в том, что твердое топливо расходуется крайне медленно.
Это значительно увеличивает экономичность такого отопительного прибора. Почему же так медленно прогорают дрова, по сравнению со стандартной печью?
Суть заключается в том, что прогорает лишь верхний слой, так как воздух нагнетается вентилятором сверху. Причем вентилятор добавляет воздух только после того, как полностью прогорит верхний слой.
На рынке представлено сегодня множество моделей, которые работают по одному и тому же принципу, но, в зависимости от габаритов, материала исполнения, дополнительных опций, имеют разную эффективность и экономичность.

Универсальные ТТ котлы работают абсолютно на любом топливе, что значительно упростит владельцам их эксплуатацию. Более бюджетным вариантом является дровяной ТТ котел продолжительного горения. Он работает исключительно на дровах и другой вариант топлива в него закладывать нельзя.
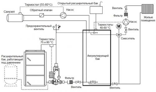
Шахтный котел длительного горения своими руками: чертежи. Как сделать своими руками котел твердотопливный длительного горения: чертежи и схемы
Перед тем, как начать изготовление котла, необходимо определиться с его конструкцией. Ее выбор зависит от назначения агрегата. Если он предназначен для отопления небольшого хозяйственного помещения, гаража или дачного домика, то делать в нем водяной контур не обязательно. Обогрев такого помещения будет происходить непосредственно от поверхности котла, путем конвекции воздушных масс в помещении, как от печи. Для большей эффективности можно устроить принудительное обдувание агрегата воздухом при помощи вентилятора. При наличии системы жидкостного отопления в помещении, необходимо предусмотреть устройство в котле контура в виде змеевика из трубы или другой аналогичной конструкции.

Схема подключения твердотопливного котла к системе отопления
Выбор варианта зависит и от типа твердого топлива, которое нужно будет использовать. Для отопления обычными дровами требуется увеличенный объем топки, а для применения мелких топливных гранул можно устроить специальную емкость, из которой гранулированное топливо подается в котел автоматически. Для изготовления котла твердотопливного длительного горения своими руками, чертеж можно взять и универсальный. Он подойдет для любого вида используемого твердого топлива.


Источник: https://domastroevo.ru/stati/kotel-dlitelnogo-goreniya-svoimi-rukami-osobennost-konstrukcii
Чертеж твердотопливного котла своими руками. Каков реальный КПД твердотопливных котлов
Производители отопительного оборудования, в частности твердотопливных котлов, предлагают большой ассортимент продукции с различными характеристиками.
Исходя из конструкции котла на твердом топливе, все изделия можно разделить на такие группы:
- традиционные отопительные агрегаты;
- дровяные котлы с пиролизным типом горения (газогенераторные);
- длительного горения;
- пеллетные.
Традиционный котел на твердом топливе, самодельный в том числе, по внешнему виду напоминает печь или буржуйку с самыми необходимыми элементами – топочной камерой, дверцей, зольником и дымоходом. С помощью зольника можно регулировать тягу, открывая и закрывая заслонку. Такие конструкции считаются достаточно надежными, поскольку в них нет никаких технологичных элементов, например термодатчиков или градусников, автоматического блока управления или электроники. В данном случае основным элементом конструкции твердотопливного котла является теплообменник, передающий тепловую энергию теплоносителю. Теплообменник бывает трубчатым или изготавливается в виде емкости из сплошных стальных листов.

Есть, однако, и более сложные устройства, которые тоже можно отнести к традиционным. Они оснащены перегородками и дроссельными заслонками, чтобы тягу было удобнее регулировать, а горячий воздух проходил большее расстояние до момента выхода в дымовую трубу. Такие перегородки существенно увеличивают КПД котла, поскольку больше тепловой энергии передается теплоносителю, а не просто «вылетает в трубу». Нужно понимать, что КПД котла это очень важный показатель.
Для подобных котлов можно использовать практически любое топливо – дрова, уголь, пеллеты и даже мусор. Главное, чтобы оно было как можно суше. С точки зрения производительности котлы простых конструкций едва ли могут претендовать на 50 % КПД, а в большинстве случаев он составляет всего лишь 15-20 %. Проблема заключается в том, что топливо слишком быстро сгорает, не успевая передать всю тепловую энергию воде в теплообменнике. В результате, большее количество тепла просто выводится в дымоход или его избыток заставляет теплоноситель закипать. Например, дрова нужно добавлять в топку каждый час, а угля хватит на 2-4 часа, но все равно он сгорает с избытком энергии и большими теплопотерями.
Более экономными и производительными являются современные котлы с перегородками и дроссельными заслонками. В них температуру сгорания топлива можно регулировать, а одной загрузки топлива хватает на 8-12 часов. Поэтому КПД таких установок нередко достигает 80 %.