Установка теплого пола под плитку. Резистентные и саморегулирующиеся кабели для теплого пола
- Установка теплого пола под плитку. Резистентные и саморегулирующиеся кабели для теплого пола
- Монтаж теплого пола электрического. Монтаж инфракрасного электрического теплого пола
- Электрический теплый пол под плитку без стяжки. Кабельные тёплые полы
- Теплый пол под плитку водяной. Преимущества и недостатки плиточного теплого пола
- Электрический теплый пол под плитку монтаж. Проведение монтажа электрического теплого пола под плитку
Установка теплого пола под плитку. Резистентные и саморегулирующиеся кабели для теплого пола
При выборе кабельного «теплого пола» под плитку обязательно встанет вопрос о том, какой тип провода использовать для этого: резистентный или саморегулирующий .
Первые во время работы производят одинаковое количество тепловой мощности, вторые в зависимости от степени собственного нагрева, то есть чем больше они нагреваются, тем меньше продуцируют тепла. Из-за этого свойства они считаются более пожаробезопасными.
Резистентные кабели бывают одно- и двужильными, и основное отличие между ними состоит в способе подключения: для создания замкнутой цепи оба конца одножильных кабелей подключаются к источнику электропитания.
Сначала подключается один конец, например, в монтажной коробке, но до терморегулятора. Производится укладка согласно выбранной схеме, а затем производится замыкание контура вторым, «холодным», концом, который также выводится в монтажную коробку.

Монтаж теплого пола под плитку
Подсоединение кабелей осуществляется с помощью муфт , которые попадают под стяжку. Двужильный резистентный кабель имеет подключение одним концом, на втором устанавливается заглушка. Наличие второй токоведущей жилы обеспечивает замкнутость цепи.
Основным недостатком резистентных кабелей является то, что они генерируют постоянное количество тепла, что при возникновении сложностей с его отводом может вывести систему из строя. Также следует отметить, что двужильные кабели более привлекательны как с точки зрения монтажа, так и из-за того, что их электромагнитное излучение имеет меньшую интенсивность.
Саморегулирующие кабели не перегреваются благодаря своему оригинальному строению, представляющему особую последовательность соединенных в единую цепь элементов, из которых и образуются жилы провода. Между ними имеется полимерная прокладка, которая и выступает в роли теплопроводника.
В отличие от резистентного кабеля саморегулирующий не имеет постоянного сопротивления: оно зависит от температуры. Чем выше температура, тем ниже сопротивление в кабеле, соответственно, выделяется и меньше тепла.
По способу монтажа саморегулирующие кабели не имеют существенных отличий от резистентных изделий, но их стоимость значительно выше.
Монтаж теплого пола электрического. Монтаж инфракрасного электрического теплого пола
Инфракрасный (пленочный) теплый пол монтируется с некоторыми отличиями от своего кабельного «собрата». Следуйте инструкции.

Монтаж инфракрасного электрического теплого пола

Электрический инфракрасный теплый пол

Принципиальная схема подключения ИПО
Составляем схему укладки
Первый шаг. Выбираем место установки терморегулятора. Его монтаж рекомендуется выполнять с 15-сантиметровым отступом от поверхности пола.

Монтаж скрытого терморегулятора теплого пола

Монтаж скрытого терморегулятора теплого пола
Второй шаг. Составляем схему укладки системы обогрева.
Важно: пленку нельзя размещать под крупными бытовыми приборами, мебелью и прочими тяжелыми вещами.
При составлении схемы учитывайте следующие важные нюансы:
- первый ряд пленки должен быть уложен с отступом не менее 100 мм и не более 400 мм от стен;
- если теплый пол будет применяться в качестве основной системы обогрева, он должен занимать как минимум 70-75% суммарной площади поверхности;
- если инфракрасная пленка укладывается в качестве дополнения к имеющемуся обогреву, достаточно, чтобы она занимала порядка 40-50% площади основания.
Укладываем и подключаем систему
Первый шаг. Раскладываем инфракрасную пленку поверх теплоизоляции. Придерживайтесь составленной схемы. При необходимости пленку можно резать по заводским линиям.

Раскладываем инфракрасную пленку поверх теплоизоляции

Резка матов
Укладку элементов выполняйте медными частями контактов вниз по направлению к стене с терморегулятором
Второй шаг. Подключаем контактные зажимы к краю медной полоски и подсоединяем провода.
Конструкция инфракрасного теплого пола

Подключение инфракрасного теплого пола
Третий шаг. Изолируем места разрезов инфракрасной пленки и соединений зажимов и кабелей. Для изоляции хорошо подходит специальная битумная мастика.

Подключение инфракрасного теплого пола
Важно: чем длиннее нагревательные полотнища, тем меньше должно быть контактов. Помните: полоса не может быть длиннее 8 м.
Часть зажимов устанавливайте на токонесущую поверхность. Оставшиеся располагайте внутри нагревательной пленки.
Электрический теплый пол под плитку без стяжки. Кабельные тёплые полы
В этом случае нагревательным элементом является электрический кабель. После его прокладки делают цементную стяжку. При использовании этого варианта её толщина будет минимальной – не более 5 сантиметров. Этот вариант обогрева пола считается одним из наиболее простых при установке. Для работы такой системы достаточно использовать питание 220 вольт. При работе расходуется мощность 80-150 ватт на каждый квадратный метр площади. Однако, если проводка в доме старай. то перед установкой этой системы её необходимо поменять на более надёжную.
Такие устройства просты в эксплуатации и обладают высокой надёжностью. Считается, что кабельные тёплые полы могут работать без сбоев в течение 50 лет или дольше. Зафиксирован случай, когда такая система проработала 62 года и на момент замены была в полностью исправном состоянии. Её демонтировали в связи с изношенностью покрытия.
Использование специальных нагревательных матов
Такое покрытие представляет собой усовершенствованный вариант кабельного покрытия. При этом провод, с помощью которого будет осуществляться обогрев, прикрепляют к специальной сетке. Обычно её длина равна 50, а толщина – 30 сантиметров. Такое усовершенствование существенно упрощает и ускоряет монтаж системы. При установке тёплого пола рекомендуется избегать тех участков, где впоследствии будет стоять тяжёлая мебель.
Для нагревательных матов используют одно- или двужильные провода. В первом случае это понижает цену, а во втором – повышает надёжность используемого оборудования. Такие маты имеют толщину, равную 3 миллиметрам, поэтому их монтаж не приводит к существенному поднятию пола.
При создании тёплого пола под плитку эта разновидность очень удобна из-за незначительной толщины и простоты установки.
Теплый пол под плитку водяной. Преимущества и недостатки плиточного теплого пола
Небольшая ванная комната, кухня или целый банный комплекс, все эти объекты могут успешно отапливаться водяными теплыми полами. Такой монтаж возможен при соблюдении некоторых условий. На руках имеется готовый проект отопительной системы, в соответствии с которым укладываются петли отопительного контура, подобрано обслуживающее оборудование. Тепловые расчеты позволят определиться с мощностью нагревательного прибора, сделать правильно схему укладки водяных труб.
Что вам ожидать в итоге? Напомним, какими достоинствами обладает теплые полы, покрытые сверху кафелем или другим керамическим материалом. К примеру:
- Подогреваемый пол создает внутри помещения комфортную температуру.
- Поверхность пола быстро сохнет, оставаясь теплой и сухой в процессе эксплуатации помещения.
- Укладка теплого пола под плитку не требует дополнительных финансовых затрат.
- Теплые полы в ванной комнате можно использовать в комбинации с традиционным, радиаторным отоплением.
- Плиточный пол с подогревом совершенно не подвержен образованию плесени и вредных для человека болезнетворных микроорганизмов.
- Плиточный пол с водяным подогревом в любое время будет теплым, приятным на ощупь.
- Соответствие теплого плиточного пола в банях и в саунах необходимым санитарным нормам и стандартам.
Зная о таких достоинствах, вам непременно захочется сделать тёплый пол своими руками, уложив водяной контур под плитку. С технической точки зрения этот процесс не представляет особой сложности. Единственное условие – строгое соблюдение технологии укладки. Конструкция водяного пола требует строгого соблюдения последовательности всех этапов монтажа.
Важно! Следует помнить, что кафельная плитка значительно увеличивает прочность всей конструкции. В дополнение к бетонному монолиту, добавляется еще цельное керамическое покрытие. В случае возникновения аварийных ситуаций, без знания точного расположения водяного контура, вам придется срывать довольно крупный фрагмент и плитки и бетонной стяжки.
Для оборудования водяных полов в деревянных строениях, следует правильно выполнить укладку настильной конструкции, не забывая о дополнительных листах фанеры, ГВЛ или ДСП. Без дополнительной жесткости кафельный пол будет играть, что обязательно скажется на целостности керамической поверхности.
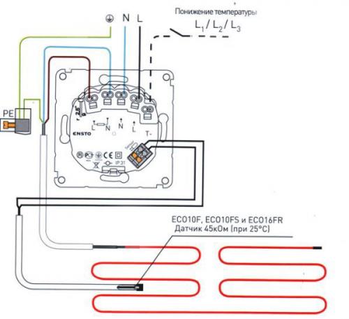
Электрический теплый пол под плитку монтаж. Проведение монтажа электрического теплого пола под плитку
«Теплый пол» с нагревательным кабелем
Основные типы нагревательных кабелей
Такая разновидность электрического «теплого пола» подразумевает использование нагревательного кабеля . Он раскладывается по поверхности в определенном порядке, а затем закрывается сверху стяжкой, которая впоследствии становится основанием для укладки керамической плитки.
Существует три основных типа нагревательных кабелей для таких целей:
- Одножильные кабели. Как понятно уже из названия, под изоляцией скрыт только один провод, который одновременно будет выполнять функцию и проводника, и нагревательного элемента. Для этого используется проводник с высоким сопротивлением, обладающий способностью к быстрому резистивному разогреву. По сути – это та же длинная «спираль» в изоляции, которую используют в других нагревательных приборах.
В таких кабелях привлекает только невысокая цена. Но вот монтаж их может вызвать определённые трудности. Чтобы замкнуть цепь кабельный контур придётся выкладывать таким образом, чтобы оба конца бухты сошлись в одной точке – в месте установки блока управления. Вроде бы – не страшно, но на практике случается, когда тесные размеры помещения или его особая конфигурация делают эту задачу чрезвычайно сложной, а порой – даже и вовсе не разрешимой. Дело в том, что должно быть соблюдено правило – ни при каких обстоятельства петли нагревательного кабеля не должны пересекаться между собой.

Принципиальная разница в строении одножильного, двужильного и полупроводникового саморегулирующегося кабелей (сверху вниз)
- С двужильными кабелями уже значительно проще – они имеют два проводника. Роль нагревателя могут играть оба, или же один становится источником тепла, а второй служит только для замыкания цепи. В любом случае на конце кабеля стоит контактная соединительная муфта, в которой оба проводника коммутированы между собой.
Укладка такого кабель не составляет особого труда, так как к точке подключения подводится только один его конец, а то, где окажется второй, с муфтой – уже не имеет никакого значения.
И тот и другой кабель — резистивного действия, то есть нагреваются они одновременно и одинаково по всей своей длине, и регулировка нагрева производится исключительно включением и выключением питания в термостатическом блоке управления.
- Более совершенным является инновационный саморегулирующийся кабель, в котором металлические провода исполняют исключительно роль проводников, а нагрев идет за счет полупроводниковой матрицы, расположенной межу проводами. Концевая муфта выполняет только изоляционную роль, так как два провода между собой не соединяются. Протекание электрического тока идет по всей длине кабеля через матрицу, которая имеет очень интересное свойство. В холодном состоянии проводимость достигает максимума, поэтому происходит быстрый нагрев. Но по мере роста температуры проводимость снижается, и при достижении определенного предела нагрева полупроводник практически полностью «запирается». Причем, это явление прослеживается на каждом отдельно взятом участке кабеля – так происходит процесс саморегуляции.
Это дает весьма чувствительный эффект экономии электроэнергии – кабель не станет потреблять больше, чем ему необходимо для нагрева до определенной температуры. Кроме того, исключается вероятность перегрева.
Такие изделия пока что достаточно дороги, поэтому не получили слишком широкого распространения, но их время, наверняка – впереди. А пока что оптимальным вариантом по сочетанию доступной цены и удобной укладки можно назвать двухжильный резистивный вариант, о котором и пойдет разговор далее.
Любые кабели, кроме своей «рабочей» части, имеют еще и обычный соединительный провод, который не греется в работе, а служит исключительно для коммутации. Такие провода (их обычно называют «холодными концами») соединены с греющей частью специальной муфтой. Другой конец свободен – именно его и соединяют к соответствующим клеммам термостатического блока управления.
По какой схеме уложить кабель, и сколько его потребуется?
Работа по созданию «теплого пола» всегда предваряется составлением схемы раскладки нагревательных элементов.
Уже упоминалось, что резистивный кабель нагревается равномерно по всей своей длине, и это важное обстоятельство избавляет от многих сложностей. Так, если при укладке водяных контуров приходится применять достаточно сложные схемы – «улитки», «двойные змейки» или «двойные улитки» и т.п., что вызвано постепенной потерей тепла по мере удаления трубы от коллектора, то в нашем случае – все гораздо проще. Главное – обеспечить равномерное распределение тепловой энергии по обогреваемой площади, то есть выбрать правильный шаг укладки – расстояние между соседними петлями кабеля.