Сделай свои распашные ворота для дачи: пошаговая инструкция
- Сделай свои распашные ворота для дачи: пошаговая инструкция
 - Связанные вопросы и ответы
 - Какие материалы лучше всего подходят для изготовления распашных ворот для дачи
 - Как правильно измерить проем для ворот
 - Какие инструменты необходимы для распашных ворот
 - Как обеспечить безопасность ворот
 - Можно ли сделать распашные ворота без сварки
 - Какой дизайн подходит для небольшой дачи
 - Как правильно установить петли и замки
 
Сделай свои распашные ворота для дачи: пошаговая инструкция
Перед началом работ над воротами на загородном участке крайне важно точно определиться с шириной воротного проема. Обычно стандартное значение составляет 3–4 м, а оптимальная высота – 2 м, хотя возможны и другие вариации в зависимости от конкретных требований.
Для создания воротной конструкции понадобится профильная труба с сечением 60х30 мм и 30х20 мм, а также профнастил. Кроме того, важно владеть навыками работы со сварочным аппаратом, болгаркой и измерительным инструментом.
Если известна ширина проема (например, 3 м), то размер створок будет равен половине этого значения, то есть 1,5 м на каждую створку. Важно оставить небольшой зазор, примерно 1 см, между створками, который будет учтен при креплении петель к столбам.
После определения размеров можно приступать к подготовке элементов створок. Трубу 60х30 мм следует разрезать на отрезки: 4 элемента по 2 м и 4 элемента по 1,5 м.
Для сборки створок необходима ровная поверхность, которую можно создать с использованием кирпичей или бетонных блоков, установленных по разметке на грунте вокруг створки. На них укладывают отрезанные куски профилированной трубы соответствующих размеров, выставляя каждый элемент по горизонтали и используя подкладки под кирпичи или блоки.
После укладки всех элементов и создания ровной горизонтальной плоскости их следует выровнять, используя строительный угол. Рекомендуется измерить диагонали прямоугольника для проверки точности выполнения работ – они должны быть равны между собой.
Затем необходимо сварить сплошной шов в местах стыковки элементов каркаса створок, а затем перевернуть полотно и провести сварку по остальным швам.
Для усиления прямоугольника рекомендуется использовать трубу 30х20 мм. Рекомендуется предварительно нарисовать эскиз на листе бумаги, чтобы определить оптимальные варианты усиления ворот.
Измерив размеры элементов на собранном каркасе створок, их следует перенести на профильную трубу 30х20 мм и затем вырезать отрезки с помощью болгарки. Готовые куски можно приварить по мере необходимости, доработав створки и выровняв сварные швы при помощи шлифмашинки. После этого следует убрать окалины и ржавчину.
И еще два ключевых момента:
- Рекомендуется установить промежуточные элементы таким образом, чтобы обшивочный материал не выходил за пределы общего каркаса с лицевой стороны ворот. Это особенно важно учесть при выборе толщины отделочного материала, такого как доска или профнастил.
 - Для каждого профилированного листа необходимо установить как минимум три промежуточные трубы: две по краям и одну посередине. Смежные профлисты должны стыковаться на промежуточном элементе с нахлестом в одну волну.
 
Связанные вопросы и ответы:
Вопрос 1: Какие материалы лучше использовать для изготовления распашных ворот для дачи
Для изготовления распашных ворот для дачи можно использовать различные материалы, каждый из которых имеет свои преимущества и недостатки. Металл, например, алюминий или сталь, прочен и долговечен, но может требовать сварочных работ и покраски для защиты от коррозии. Дерево – экологичный и эстетически приятный вариант, но требует обработки защитными составами и может быть более дорогим. Также можно использовать комбинированные материалы, такие как металлический каркас с деревянными планками, что сочетает прочность и декоративность. Пластиковые или полимерные материалы тоже подходят, они легкие и не требуют особого ухода, но могут быть менее прочными. Учитывая бюджет, предпочтения и условия эксплуатации, можно выбрать оптимальный вариант.
Вопрос 2: Какие инструменты и материалы мне понадобятся для изготовления распашных ворот своими руками
Для изготовления распашных ворот своими руками вам понадобятся базовые инструменты, такие как дрель, отвертка, молоток, лобзик или пила для резки материалов, а также ключи и гаечные ключи. Из материалов необходимы столбы для опор, каркасные бруски, полотно ворот (можно использовать металл, дерево или комбинированные материалы), петли, замок или задвижка, а также саморезы, болты и гвозди. Не забудьте про строительные смеси, такие как цемент и песок, для установки опорных столбов. Также полезно иметь измерительные инструменты, например, рулетку и уровень, чтобы обеспечить точность и ровность конструкции.
Вопрос 3: Какие основные этапы строительства распашных ворот для дачи
Строительство распашных ворот для дачи включает несколько основных этапов. Первый этап – планирование и проектирование, где определяется размер, материалы и дизайн ворот. Второй этап – подготовка места: рытье ям под опорные столбы и установка самих столбов с использованием бетона для прочности. Третий этап – изготовление каркаса ворот, который может быть металлическим или деревянным, в зависимости от выбора материалов. Четвертый этап – обшивка каркаса выбранным материалом, например, деревянными планками или металлическими листами. Пятый этап – установка петель, замков и других фурнитуры, а также покраска или обработка защитными составами. Последний этап – установка ворот на место и проверка их работы.
Вопрос 4: Как укрепить конструкцию распашных ворот, чтобы они были более стабильными
Для укрепления конструкции распашных ворот можно использовать несколько методов. Во-первых, установка прочных опорных столбов, заглубленных в землю и залитых бетоном, обеспечит стабильность. Во-вторых, использование металлического каркаса или арматуры внутри деревянного каркаса может повысить прочность. В-третьих, установка дополнительных поддерживающих элементов, таких как диагональные подкосы, может предотвратить деформацию конструкции. Также важно правильно установить петли, используя прочные и качественные изделия, чтобы они выдерживали нагрузки. Наконец, регулярное обслуживание, такое как смазка петель и проверка надежности креплений, поможет поддерживать стабильность ворот в течение долгого времени.
Вопрос 5: Как оформить распашные ворота для дачи, чтобы они выглядели эстетично
Оформление распашных ворот для дачи может быть выполнено в различных стилях, чтобы они гармонировали с общим дизайном участка. Деревянные ворота можно покрыть лаком или краской, выбрав цвет, который подходит к забору или domu. Металлические ворота можно украсить коваными элементами или декоративными решетками. Также можно добавить украшения, такие как цветочные композиции или таблички с названием дачи. Для более натурального вида можно использовать комбинированные материалы, например, деревянные планки с металлическими акцентами. Кроме того, добавление растений или вьющихся цветов у основания ворот может сделать их более привлекательными и живописными.
Вопрос 6: Как обеспечить безопасность распашных ворот для дачи
Обеспечение безопасности распашных ворот для дачи включает несколько важных моментов. Во-первых, необходимо использовать прочные материалы и качественные фурнитуры, чтобы ворота могли выдерживать ветровые нагрузки и другие внешние воздействия. Во-вторых, важно правильно установить опорные столбы и петли, чтобы избежать провисания или перекоса ворот. В-третьих, можно установить замок или задвижку, чтобы предотвратить несанкционированный доступ. Также полезно добавить предупреждающие знаки или сигнальные ленты, особенно если ворота часто открываются и закрываются. Наконец, регулярное обслуживание, такое как проверка состояния петель и смазка движущихся частей, поможет поддерживать безопасность и долговечность ворот.
Какие материалы лучше всего подходят для изготовления распашных ворот для дачи
Материал для изготовления распашных ворот может быть разным, все зависит от архитектурного направления и дизайна будущей конструкции.
Самыми распространенными материалами для создания универсальных распашных ворот являются металл и дерево. От выбранного материала зависят характеристики готового изделия: их прочность и надежность. Рассмотрим достоинства и недостатки основных материалов, используемых для изготовления распашных ворот.
Плюсы использования профнастила:
- обладает высокой прочностью, не поддается внешним воздействиям;
 - отличается невысокой ценой;
 - текстура полотна однородная, поэтому нет необходимости подбирать рисунок на материале;
 - материал прост в монтаже, для установки конструкции достаточно обычного набора инструментов;
 
- профнастил не боится влаги и не подвержен коррозии (ржавчина может возникнуть только вследствие повреждения защитного слоя материала);
 - разнообразие оттенков позволяет подобрать вариант на любой вкус;
 - характеризуется длительным сроком эксплуатации.
 
Согласно данным производителя, конструкции из профнастила способны проработать до 20 лет.
К минусам можно отнести невысокую устойчивость к механическим повреждениям, большую парусность и нагревание материала под воздействием высоких температур.
Профнастил изготавливается холодным методом из стали с оцинкованным или алюминиевым напылением. В качестве декоративного покрытия используются полимерные материалы. Толщина листа может быть от 0.4 до 1 мм.
Плюсы и минусы дерева:
- древесина отличается более низкой ценой;
 - для изготовления распашных конструкций из дерева достаточно стандартного набора инструментов;
 - процесс изготовления занимает немного времени (единственный длительный этап – застывание бетона);
 - готовое изделие отличается приятным дизайном.
 
К минусам относят небольшой срок эксплуатации, низкий уровень механической прочности, пожароопасность.
Менее популярными, но не менее надежными являются распашные конструкции из профильной трубы. Она может иметь несколько видов сечения: прямоугольное, круглое, квадратное и овальное. Для изготовления труб используется прочная углеродистая или оцинкованная сталь. Нержавейка считается более легким материалов, поэтому ворота, изготовленные из данного материала, не смогут выдержать большие нагрузки.
Для создания прочных и надежных конструкций отлично подойдет горячекатаная труба. Они представляют собой каркас из труб и створки, дизайн которых может быть самым разнообразным. Не уступают в прочности и стальные трубы. Используя их, можно сэкономить на расходе материала и удешевить изделие целиком.
Цельные металлические листы больше подходят для обустройства гаражей. А вот для ограждения больших территорий применяют глухие деревянные створки, сделанные из дуба, ели, сосны. Полотна из профнастила или поликарбоната применяют для изготовления автоматических конструкций, так как они производятся компактными листами, за счет чего можно снизить время создания изделия и уменьшить объемы порезки.
Для изготовления современных конструкций обычно используют комбинированные варианты – деревянные створки с металлическими элементами или, наоборот, металлические с ковкой.
В зависимости от выбранного материала, различают несколько видов распашных конструкций:
- сварные ворота из профлиста или профтрубы;
 - пленочные ворота из ПВХ;
 - складчатые ворота из сэндвич-панелей.
 
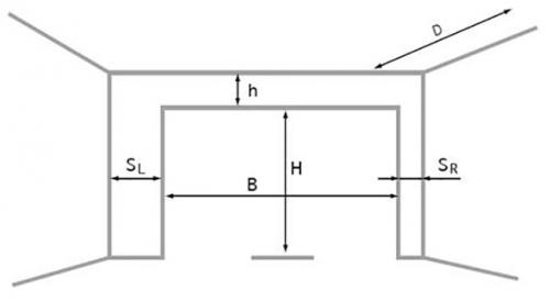
Как правильно измерить проем для ворот

Как измерить проем ворот самостоятельно?Проем под секционные ворота можно измерить самостоятельно, это совсем не сложно. Просто замерьте все зоны по схеме, приведенной ниже и заполните сводню таблицу.Несколько нюансов при измерении проема ворот: Так как секционные ворота монтируются внутри помещения, измерения тоже нужно производить изнутри. Каждую размер нужно померять с учетом отклонений от геометрически правильного прямоугольника. Т.е. каждая величина измеряется в трех положениях: сверху, посередине и снизу. При указании высоты (H) и ширины (B) проема необходимо указывать максимальные значения. При указании расстояния от края проема до боковой стены (b1 и b2), притолока (h) и глубины (D) гаража указывается минимальные из измеренных величин. Если самостоятельно производится размер ворот до установки пола, необходимо заранее понять и отметить на стене уровень чистового пола гаража Следует обратить внимание на наличие проходящих коммуникаций и перемычек, т.к. для установки секционных ворот требуется некоторое пространство для крепления и измерить глубину помещения. Если он слишком мало – придется увеличить его до минимальных значений за счет сужения проема и занижения его высоты.

Какие инструменты необходимы для распашных ворот
Схема или чертеж распашных ворот необходим для упрощения
расчета количества материала и оценки жесткости конструкции.
Два способа сделать распашные ворота:
-  с одной большой створкой (одностворчатые) . Недостатком
способа можно считать то, что нужно много места для маневра ворот, а также их
большую парусность. Уменьшение парусности за счет дополнительных деталей
каркаса приводит к увеличению нагрузки на петли, что в свою очередь приводит к
перекосу створки. Этот способ годится только для ворот с небольшой шириной
проема или для устройства калитки; 
-  с двумя створками (двухстворчатые) . Исключаются все
описанные выше недостатки, но возрастает стоимость изготовления за счет
добавления петель и элементов каркаса. Возможно устройство с одинаковыми или с
разными по ширине створками. У двустворчатых распашных ворот есть преимущество,
они более устойчивы к ветровой нагрузке. 
Схема распашных ворот из профнастила должна содержать:

Схема распашных ворот из профнастила

Схема распашных ворот из профнастила с размерами
- общую ширину проема. Понадобится в случае необходимости
сделать маневр – при увеличении зазоров или изменении размеров фурнитуры; 
- ширину каждой створки;
 
- количество, ширину стоек и глубину укапывания стоек;
 
- конфигурацию каркаса с указанием ширины составляющих его
элементов; 
- месторасположение и ширину калитки. Это важный аспект.
 
Как обеспечить безопасность ворот
Гаражные ворота
Гаражные ворота - качественные изделия, которые надежно защитят помещение от взлома и неблагоприятных природных явлений. На сегодняшний день в Москве наиболее популярны автоматические гаражные ворота. Они обеспечивают комфортный въезд-выезд автомобиля без лишней траты времени на управление воротами.
Подробнее
Подробнее
-40%
Секционные ворота предназначены для обеспечения:
- защиты дома, бизнеса или промышленного помещения от несанкционированного проникновения,
 - изоляции от шума, света,
 - потери тепла, обеспечения теплоизоляции,
 - оставления архитектурно и функционально единого объекта, включающего в себя ворота.
 
Важный фактор при выборе типа ворот - безопасность. Данному вопросу компания Alutech уделяет особое внимание
Монтаж производится внутри помещения, сразу за проемом. Важно обратить внимание на материал, к которому производится крепление несущего каркаса: бетон, кирпич, пеноблоки, металлические конструкции или другие материалы.
Существуют основные стандарты Европейской комиссии для всех типов конструкций:
- EN 12064 «Промышленные, торговые, бытовые ворота и двери. Механические аспекты. Требования», 2000 г.;
 - EN 12453 «Промышленные, торговые, бытовые ворота и двери — принципы безопасности при эксплуатации ворот с силовым приводом. Требования», 2001 г.
 
Основная суть стандартов заключается в установлении требований к конструкции ворот, чтобы обеспечить безопасность перемещения людей и автомобилей на частных территориях и в промышленных, складских зонах.
Стандарт 12604 описывает требования к узлам, деталям ворот и управления и защите пользователей. То есть он описывает опасные ситуации, возникающие при эксплуатации ворот.
Стандарт 12453 устанавливает правила безопасной эксплуатации ворот с силовым приводом.
Можно ли сделать распашные ворота без сварки
Перед тем как сделать ворота своими руками без сварки, необходимо рассмотреть все достоинства и недостатки профильного листа. Основные преимущества:
- простота монтажа;
 - экономичность (профнастил стоит намного меньше в отличие от древесины либо кирпича);
 - привлекательный внешний вид (изделия делают в разной гамме цветов, потому можно легко выбрать именно то, что лучше всего дополнит экстерьер загородного дома);
 - практичность (ворота могут быть различными по конструкции и способам управления);
 - продолжительное время службы.
 
На участке
С учетом способа открывания конструкция может быть:
- распашной;
 - откатной;
 - подъемной;
 - раздвижной.
 
Наиболее популярными являются раздвижные и распашные системы.
Откатная конструкция
Распашная конструкция
Это классический способ ограды. При этом на двух опорах находятся створки, которые затем обшиваются профлистом. Ворота имеют мягкий ход за счет того, что на опорах находится петля с подшипником. Входная дверь в этих конструкциях чаще всего ставится отдельно, но иногда калитка может располагаться на одной из створок.
Закрываться и открываться ограждения могут вручную либо в автоматическом режиме. Конструкция с электроприводом обычно устанавливается на промышленных участках, когда происходит постоянное движение автомобилей.
Основное преимущество распашных систем – доступная стоимость и легкость в установке. Но для открытия створок нужно определенное пространство. Это единственный недостаток таких конструкций.
Откатные ворота
Намного удобней установить откатные системы. В данной модели створки не открываются, а отводятся за ограждение. Такая сборная конструкция не имеет направляющих в проеме. Это дает возможность свободно заезжать машинам любой высоты. Также, в отличие от распашных ворот, зимой не потребуется регулярно убирать снег, чтобы створки нормально открывались.
Обычно откатные ворота делаются с автоматическим управлением, так как откатывать большие створки очень сложно.
Схема откатных ворот
Из недостатков можно выделить следующее:
- сборка и крепление готовой конструкции намного дороже в отличие от распашного типа;
 - перед тем как делать ворота без сварки своими руками, требуется заливка фундамента.
 
Какой дизайн подходит для небольшой дачи
Врезные петли лучше всего устанавливать на деревянную дверь, которая гарантированно удержит метизы и фурнитуру. От корректно проведенных работ зависит срок службы конструкции.
Разметка и вставка фурнитуры в межкомнатную дверь производится в следующем порядке:
- Выбрать правильное расстояние, на котором будет размещаться фурнитура. Для этого отступить от верхнего и нижнего края полотна 200-250 мм и нанести метки. В этом месте не должно быть дефектов древесины, а при их наличии разметку симметрично смещают.
 - К отметкам приложить петли, очертить контур.
 - По контуру стамеской вырубить углубление по толщине металла фурнитуры.
 - Молотком и стамеской осуществить выборку дерева. Если на этом этапе допущена ошибка, ее можно скорректировать прокладками под петли.
 - Правильно установить метизы, зафиксировать петли в подготовленном углублении.
 
После этого производится разметка и вырезка отверстия под петли в дверном коробе:
- Вывесить двери на деревянных клиньях, соблюдая зазор со всех граней полотна по 2-3 мм.
 - Разметку осуществить по следующим по рекомендациям, отображенным на рисунке:
 - Закрыть полотно на врезанный замок и проведите разметку.
 - Проверите размещение дверного полотна уровнем, скорректировать при наличии отклонений.
 - Временно открутить дверь и нанести отметки на короб.
 - Стамеской и молотком проделать необходимые отверстия правильного размера. Помните, что избыточная глубина приведет к перекашиванию двери при эксплуатации.
 
Если перед вкручиванием метизов предварительно просверлить тонким сверлом отверстия в двери или в коробе, это поможет предотвратить образование трещин.
Этот способ врезки и установки петель был актуален около двадцати лет назад, когда использовались типовые конструкции. Метод может быть использован и сегодня при установке деревянных дверей. Однако, для современных ламинированных и покрытых шпоном полотен вырубка стамеской неуместна, так как нарушает эстетику двери и не позволяет надежно зафиксировать фурнитуру в стружечном материале. Такие двери правильно устанавливать с применением альтернативных типов петель.
Как правильно установить петли и замки
До недавнего времени древесина была самым распространенным и доступным материалом. Древесина легко подвергается обработке, имеет невысокую стоимость. Базовых навыков использования инструментов было достаточно для изготовления конструкций из дерева – заборов, калиток, ворот. Сейчас ограждения из необработанной древесины встречаются редко. Обычно, их используют в качестве временных ограничителей участка во время благоустройства участка, строительства дома.
Древесина – универсальный материал, который используется для откатных, распашных, подъемно-поворотных конструкций. Ворота – это первое, на что обращают внимание гости. Поэтому они стали показателем статуса, безупречного вкуса хозяина. Гаражные ворота из дерева обычно изготавливают подъемно-поворотного типа. Единственное ограничение в применении материала касается ламелей в рулонных механизмах. Деревянное полотно имеет невысокую прочность в этом случае. Часто деревом обшивают металлический каркас. Деревянные откатные ворота таким способом обшивки основы увеличивают толщину створок и общий вес.
Древесина как материал для ворот обладает такими достоинствами:
- простота обработки;
 - быстрота монтажа;
 - доступная стоимость;
 - красивая фактура;
 - надежность.
 
Покупка деревянных заготовок обойдется дешевле металлических. Различные сорта древесины и размеры досок представлены в строительных магазинах покупателям с любыми материальными возможностями. Кроме того в РФ можно получить от 50 кубов леса бесплатно в зависимости от региона, подробнее об этом вы можете узнать из
Инструменты для обработки древесины доступны и не требуют специальных навыков. В то время как для обработки металлических деталей понадобится сварочный аппарат, угловая шлифовальная машина. Правильно обработанная качественная древесина прослужит не одно десятилетие, даже в суровых погодных условиях. Деревянное полотно при поломке можно легко отремонтировать, заменив доску. Самые простые в изготовлении и самостоятельной установке – распашные деревянные ворота.

В использовании ворот из древесины есть и минусы:
- невысокая механическая прочность;
 - при плохой обработке – недолгий срок службы;
 - высокая возгораемость.
 
Для ворот используют обычно не ценные породы дорогой древесины, а устойчивую к влаге и гниению лиственницу, сосну. Увеличит прочность и долговечность конструкции внутренний каркас из металла.